0
LT3464
  • LT3464
  • LT3464
  • LT3464

LT3464

PRODUCTION

Micropower Boost Converter with Integrated Schottky and Output Disconnect in ThinSOT™

Analog Devices LT3464 Product Info

10 February 2026 7

Features

  • Tiny Solution Size
  • Low Quiescent Current
    • 25µA in Active Mode
    • 0.5µA in Shutdown Mode
  • Internal 115mA, 36V Switch
  • Integrated Schottky Diode
  • Integrated PNP Output Disconnect with Short-Circuit Protection
  • Internal Reference Override Pin
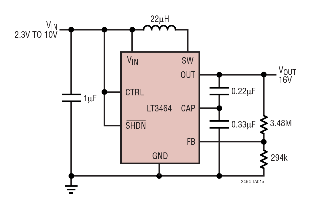
  • 16V at 8mA from 3.6V Input
  • 12V at 20mA from 5V Input
  • Input Range: 2.3V to 10V
  • High Output Voltage: Up to 34V
  • Low Profile (1mm) SOT-23 Package

Part details & applications

The LT3464 is a micropower step-up DC/DC converter with integrated Schottky diode and output disconnect packaged in an 8-lead low profile (1mm) SOT-23. The small package size, high level of integration, and the use of tiny SMT components yield a solution size of less than 40mm². The LT3464 has a typical current limit of 115mA as well as fast switching speed to allow the use of a chip inductor and small ceramic capacitors. The internal PNP disconnects the output load from the input during shutdown, and also provides output short-circuit protection. An auxiliary reference input allows the user to override the internal 1.25V feedback reference with any lower value, allowing full control of the output voltage during operation. This device features a low 25µA quiescent current, which is further reduced to less than 0.5µA in shutdown. A current limited fixed off-time control scheme conserves operating current, resulting in high efficiency over a broad range of operating current. The rugged 36V switch and output disconnect circuitry allow outputs up to 34V to be easily generated in a simple boost topology.

Applications

  • OEL Panel Bias
  • LCD Bias
  • Handheld Computers
  • Battery Backup
  • Digital Cameras
  • Cellular Phones

Subscribe to Welllinkchips !
Your Name
* Email
Submit a request