0
MAX9389
  • MAX9389

MAX9389

LAST TIME BUY

Differential 8:1 ECL/PECL Multiplexer with Dual Output Buffers Industry's First 2.5GHz LVECL/LVPECL 8:1 Multiplexer

Analog Devices MAX9389 Product Info

10 February 2026 8

Features

  • 310ps Propagation Delay
  • Guaranteed 2.7GHz Operating Frequency
  • 0.3psRMS Random Jitter
  • <30ps Output-to-Output Skew
  • -2.375V to -5.5V Supplies for Differential LVECL/ECL
  • +2.375V to +5.5V Supplies for Differential LVPECL/PECL
  • Outputs Low for Open Inputs
  • Dual Output Buffers
  • >2kV ESD Protection (Human Body Model)

Part details & applications

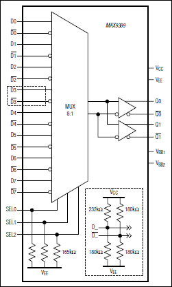
The MAX9389 is a fully differential, high-speed, low-jitter, 8-to-1 ECL/PECL multiplexer (mux) with dual output buffers. The device is designed for clock and data distribution applications, and features extremely low propagation delay (310ps typ) and output-to-output skew (30ps max).

Three single-ended select inputs, SEL0, SEL1, and SEL2, control the mux function. The mux select inputs are compatible with ECL/PECL logic, and are internally referenced to the on-chip reference output (VBB1, VBB2), nominally VCC - 1.425V. The select inputs accept signals between VCC and VEE. Internal pulldowns to VEE ensure a low default condition if the select inputs are left open.

The differential inputs D_, D_ -bar can be configured to accept a single-ended signal when the unused complementary input is connected to the on-chip reference output (VBB1, VBB2). All the differential inputs have internal bias and clamping circuits that ensure a low output state when the inputs are left open.

The MAX9389 operates with a wide 2.375V to 5.5V supply range. The device is offered in 32-pin TQFP and thin QFN packages, and operates over the -40°C to +85°C extended temperature range.

Applications

  • Central Office Backplane Clock Distribution
  • DSLAM/DLC
  • High-Speed Telecom and Datacom Applications

Subscribe to Welllinkchips !
Your Name
* Email
Submit a request