0
MAX4588
  • MAX4588

MAX4588

PRODUCTION

Low-Voltage, High-Isolation, Dual 4-Channel RF Video Multiplexer

Analog Devices MAX4588 Product Info

10 February 2026 8

Features

  • Low Insertion Loss: -2.5dB up to 100MHz
  • High Off-Isolation: -74dB at 10MHz
  • Low Crosstalk: -70dB up to 10MHz
  • 16MHz -0.1dB Signal Bandwidth
  • 180MHz -3dB Signal Bandwidth
  • 60Ω (max) On-Resistance with ±5V Supplies
  • 4Ω (max) On-Resistance Matching with ±5V Supplies
  • 2Ω (max) On-Resistance Flatness with ±5V Supplies
  • +2.7V to +12V Single Supply
  • ±2.7V to ±6V Dual Supplies
  • Low Power Consumption: < 20µW
  • Rail-to-Rail, Bidirectional Signal Handling
  • Parallel or SPI/MICROWIRE-Compatible Serial Interface
  • > ±2kV ESD Protection per Method 3015.7
  • TTL/CMOS-Compatible Inputs with VL = +5V

Part details & applications

The MAX4588 low-voltage, dual 4-channel multiplexer is designed for RF and video signal processing at frequencies up to 180MHz in 50Ω and 75Ω systems. A flexible digital interface allows control of on-chip functions through either a parallel interface or an SPI™/MICROWIRE™ serial port.

Each channel of the MAX4588 is designed using a "T" switch configuration, ensuring excellent high-frequency off-isolation. The MAX4588 has low on-resistance of 60Ω max, with an on-resistance match across all channels of 4Ω max. Additionally, on-resistance is flat across the specified signal range (2Ω max). The off- leakage current is under 1nA at TA = +25°C, and less than 10nA at TA = +85°C.

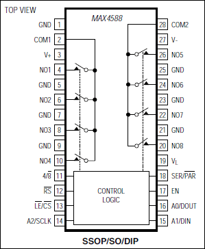
The MAX4588 operates from single +2.7V to +12V or dual ±2.7V to ±6V supplies. When operating with a +5V supply, the inputs maintain TTL- and CMOS-level compatibility. The MAX4588 is available in 28-pin narrow DIP, wide SO, and space-saving SSOP packages.

Applications

  • Automated Test Equipment (ATE)
  • High-Speed Data Acquisition
  • Networking
  • RF Switching
  • Video Signal Routing

Subscribe to Welllinkchips !
Your Name
* Email
Submit a request