0
HMC858
  • HMC858

HMC858

RECOMMENDED FOR NEW DESIGNS

14 Gbps, 2:1 Differential Selector with Programmable Output Voltage

Analog Devices HMC858 Product Info

10 February 2026 10

Features

  • Supports High Data Rates: up to 14 Gbps
  • Differential or Single-Ended Operation
  • Fast Rise and Fall Times: 19 / 20 ps
  • Low Power Consumption: 221 mW typ
  • Programmable Differential
    • Output Voltage Swing: 500 - 1300 mVp-p
  • Propagation Delay: 87 ps
  • Single Supply: -3.3 V
  • 24 Lead Ceramic 4x4 mm SMT Package: 16 mm2

Part details & applications

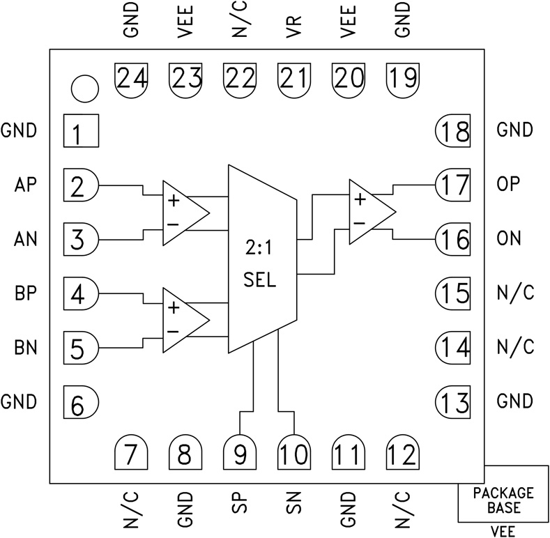
The HMC858LC4B is a 2:1 Selector designed to sup-port data transmission rates of up to 14 Gbps, and selector port operation of up to 14 GHz. The selector routes one of the two differential inputs to the differential output upon assertion of the proper select port. The HMC858LC4B also features an output level control pin, VR, which allows for loss compensation or for signal level optimization.

All differential input signals to the HMC858LC4B are terminated with 50 ohms to ground on-chip, and may be either AC or DC coupled. The outputs of the HMC858LC4B may be operated either differentially or single-ended. Outputs can be connected directly to a 50 ohm terminated system, while DC blocking capacitors may be used if the terminating system is 50 ohms to a non-ground DC voltage. The HMC858LC4B operates from a single -3.3V DC supply and is available in a ceramic RoHS-compliant, 4×4 mm SMT package.

APPLICATIONS

  • 2:1 Multiplexer up to 14 Gbps
  • 16G Fiber Channel
  • Serial Data Transmission up to 14 Gbps
  • Redundant Path Switching
  • Built-in Test
  • Broadband Test & Measurement

Subscribe to Welllinkchips !
Your Name
* Email
Submit a request