0
MAX16050
  • MAX16050

MAX16050

PRODUCTION

Voltage Monitors/Sequencer Circuits with Reverse-Sequencing Capability Easy-to-Use, Four-/Five-Voltage, Power-Up/Power-Down Sequencer/Monitors

Analog Devices MAX16050 Product Info

10 February 2026 7

Features

  • Monitor Up to 6 Voltages/Sequence Up to 5 Voltages (MAX16051)
  • Pin-Selectable Sequencing Order (MAX16050 Only)
  • Reverse-Sequencing Capability on Shutdown
  • Overvoltage Monitoring with Independent Output
  • ±1.5% Threshold Accuracy
  • 2.7V to 16V Operating Voltage Range
  • Charge Pump to Fully Enhance External n-Channel FETs
  • Capacitor-Adjustable Sequencing Delay
  • Fixed or Capacitor-Adjustable Reset Timeout
  • Internal 85mA Pulldowns for Discharging Capacitive Loads Quickly
  • Daisy-Chaining Capability to Communicate Across Multiple Devices
  • Small 4mm x 4mm, 28-Pin TQFN Package

Part details & applications

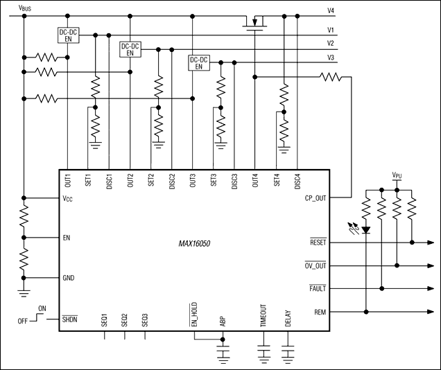
The MAX16050 monitors up to 5 voltages and sequences up to 4 voltages, while the MAX16051 monitors up to 6 voltages and sequences up to 5 voltages. These devices provide an adjustable delay as each supply is turned on and they monitor each power-supply voltage, including the input voltage VCC. When all of the voltages reach their final values and the reset delay timer expires, a power-on-reset (active-low RESET) output deasserts allowing the micro controller (µC) to operate. If any voltage falls below its threshold, the reset output asserts and all voltage supplies are turned off. The MAX16050/MAX16051 can be daisy-chained to control a higher number of voltages in a system.

During a power-down event, the MAX16050/MAX16051 can reverse sequence the outputs. In this situation, each voltage is turned off sequentially until it reaches a 250mV level, at which point, the next supply is turned off. The MAX16050/MAX16051 also provide internal pulldown circuitry that turns on during power-down, to help discharge large output capacitors.

The MAX16050/MAX16051 feature a charge-pump supply output that can be used as a pullup voltage for driving external n-channel MOSFETs and an overvoltage output that indicates when any of the monitored voltages exceeds its overvoltage threshold. The MAX16050 also provides three sequence control inputs for changing the sequence order, while the MAX16051 has a fixed sequence order.

The MAX16050/MAX16051 are available in a 28-pin (4mm x 4mm) thin QFN package and are fully specified over the -40°C to +85°C extended operating temperature range.

Applications

  • Networking Systems
  • Servers
  • Storage Systems
  • Telecom Equipment
  • Workstations

Subscribe to Welllinkchips !
Your Name
* Email
Submit a request