0
LTC2924
  • LTC2924
  • LTC2924
  • LTC2924
  • LTC2924

LTC2924

RECOMMENDED FOR NEW DESIGNS

Quad Power Supply Sequencer

Analog Devices LTC2924 Product Info

10 February 2026 8

Features

  • Fully Sequence and Monitor Four Supplies
    • Six with Minimal External Circuitry
  • Cascadable for Additional Supplies
  • Power Off in Reverse Order or Simultaneously
  • Charge Pump Drives External MOSFETs
  • Drives Power Supply Shutdown Pins with No External Pull-Up Resistors
  • 10µA Output Current Allows Soft-Starting of Supplies
  • Done Indicator for Both Power On and Power Off
  • Adjustable Time Delay Between Power Supplies
  • Power Good Timer
  • Power Supply Voltage Monitoring and Power Sequence Error Detection and Reporting
  • Available in a 16-Lead Narrow SSOP Package

Part details & applications

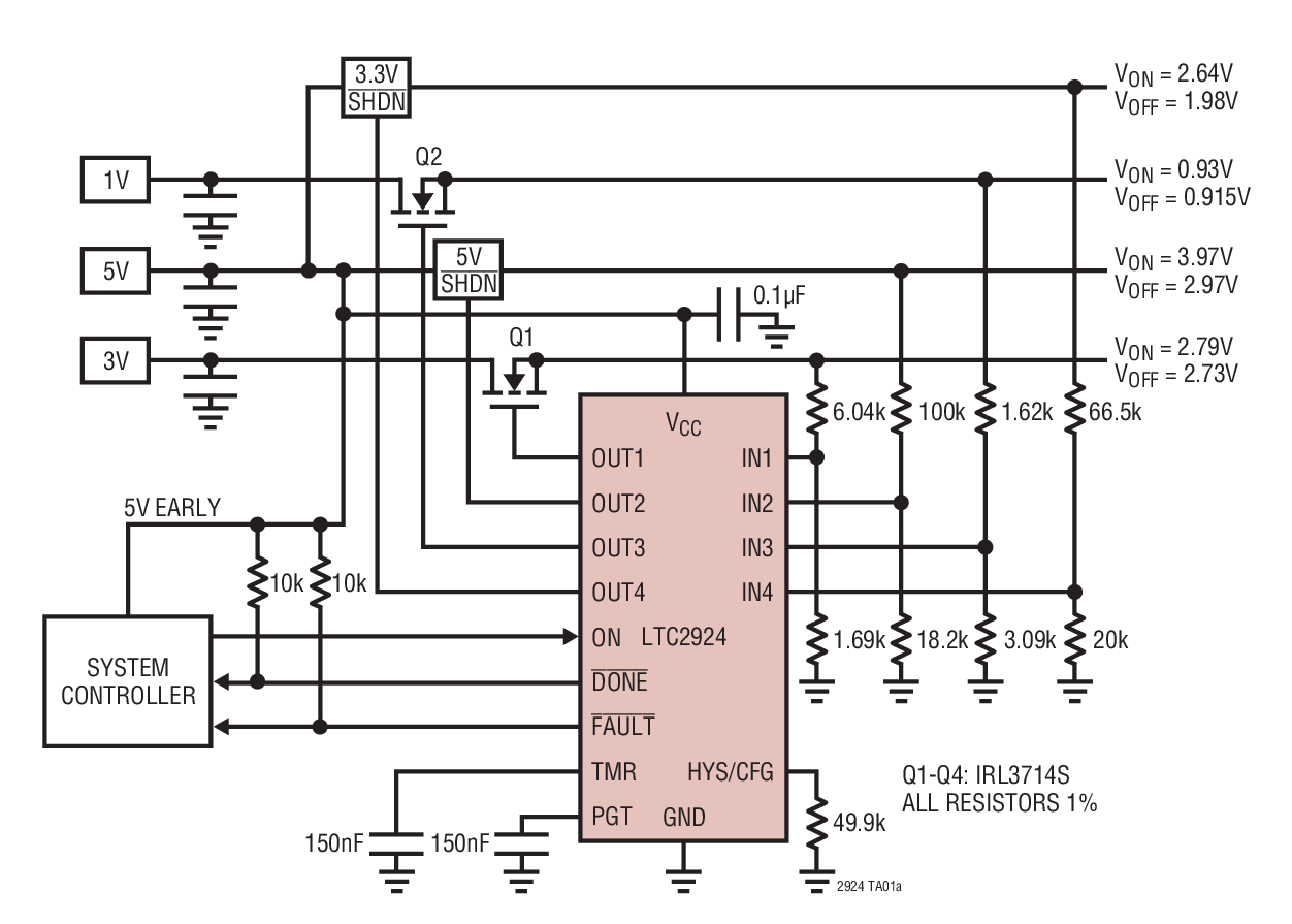
The LTC2924 is a power supply sequencer designed for use with external N-channel MOSFETs or power supplies with shutdown pins. Four power supplies can be fully sequenced by a single LTC2924 and up to five supplies can be sequenced to a sixth master supply. The LTC2924 requires a minimum of external components, using only two feedback resistors per sequenced power supply and a single resistor to set hysteresis.

An internally regulated charge pump provides gate drive voltages for external logic and sub-logic-level MOSFETs. Adding a single capacitor enables an adjustable time delay between power supplies during both Power On and Power Off sequencing. A second capacitor can be added to enable a power good timer for detecting the failure of any power supply to turn on within the selected time. Errors in power supply sequencing and the control input are detected and reported at the FAULT output. The LTC2924 features precision input comparators which can provide 1% accuracy in monitoring power supply voltages.

Multiple LTC2924s may be easily cascaded to sequence a virtually unlimited number of power supplies.

Applications

  • Sequenced Power Supplies for ASICs with Multiple I/O and Core Voltages
  • Latch-Up Prevention in Systems with Multiple Power Supplies

Subscribe to Welllinkchips !
Your Name
* Email
Submit a request