0
ADXL180
  • ADXL180
  • ADXL180

ADXL180

NOT RECOMMENDED FOR NEW DESIGNS

Configurable, High-g, iMEMS® Accelerometer

Analog Devices ADXL180 Product Info

10 February 2026 6

Features

  • Wide sensor range: 50 g to 500 g
  • Adjustable filter bandwidth: 100 Hz to 800 Hz
  • Configurable communication protocol
    • 2-wire, current mode bus interface
  • Selectable sensor data resolution: 8 bit or 10 bit
  • Continuous auto-zero
  • Fully differential sensor and interface circuitry
    • High resistance to EMI/RFI
  • Sensor self-test
  • 5.0 V to 14.5 V operation
  • 8 bits of user-defined OTP memory
  • 32-bit electronic serial number
  • Dual device per bus option

Part details & applications

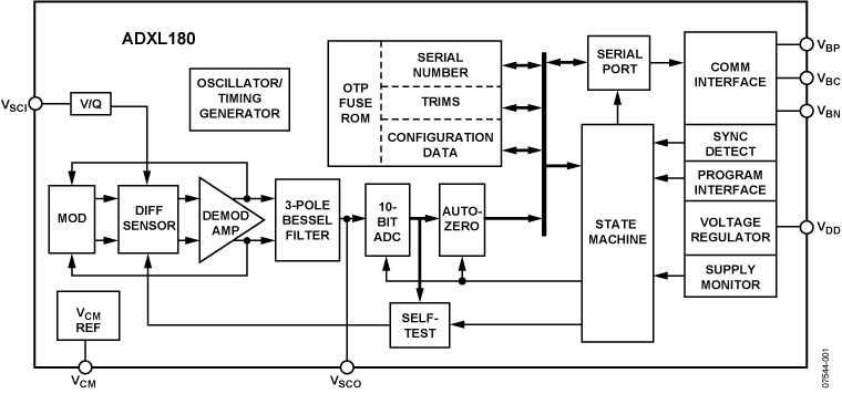
The ADXL180 iMEMS® accelerometer is a configurable, single axis, integrated satellite sensor that enables low cost solutions for front and side impact airbag applications. Acceleration data is sent to the control module via a digital 2-wire current loop interface bus. The communication protocol is programmable for compatibility with various automotive interface bus standards.

The sensor g range is configurable to provide full-scale ranges from ±50 g to ±500 g. The sensor signal third-order, low-pass Bessel filter bandwidth is configurable at 100 Hz, 200 Hz, 400 Hz, and 800 Hz.

The 10-bit analog-to-digital converter (ADC) allows either 8-bit or 10-bit acceleration data to be transmitted to the control module. Each part has a unique electronic serial number. The device is rated for operation from −40°C to +125°C and is available in a 5 mm × 5 mm LFCSP package.

Applications

  • Crash sensing

Subscribe to Welllinkchips !
Your Name
* Email
Submit a request