0
HMC750
  • HMC750

HMC750

LAST TIME BUY

12.5 Gbps Limiting Amplifier SMT

Analog Devices HMC750 Product Info

10 February 2026 9

Features

  • Supports Data Rates up to 12.5 Gbps
  • Differential Gain: 44 dB
  • 2mVp-p Input Sensitivity
  • 3 dB Bandwidth: 11 GHz
  • Integrated DC Offset Correction
  • Single +5V Power Supply
  • Adjustable Differential Saturated
    O/P Voltage Swing up to
    880 mVp-p
  • Very Low RMS Jitter Degradation
  • 24 Lead 4×4mm SMT Package: 16mm2

Part details & applications

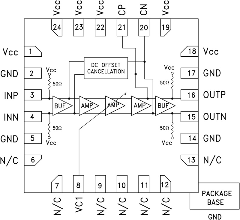
HMC750 is a limiting amplifier designed to support data transmission rates up to 12.5 Gbps. The amplifier can operate over a wide range of input voltage levels and provides constant-level differential output swing. HMC750 also features an output level control pin, VC1, which allows for loss compensation or for signal level optimization. Differential output signal swing can be adjustable up to 880 mVp-p. Input signals higher than 3 mVp-p can be amplified to saturated 880 mVp-p differential signal.

All single-ended input signals to the HMC750 are terminated with 50 ohms to +5V on-chip, and may be either AC or DC coupled. The outputs of the HMC750 may be operated either differentially or single-ended. Outputs can be connected directly to a 50 ohm terminated system referenced to +5V, while DC blocking capacitors may be used if the terminating system is 50 Ω to a non +5V voltage. The HMC750 operates from a single +5V DC supply and is available in a plastic RoHS compliant 4×4 mm SMT package.

APPLICATIONS

  • OC-192 Receivers
  • 10 Gbps Ethernet Receivers
  • 10 Gbps Fiber Channel Receivers
  • Broadband Test & Measurement

Subscribe to Welllinkchips !
Your Name
* Email
Submit a request