0
ADIS16003
  • ADIS16003

ADIS16003

PRODUCTION

Dual-Axis ±1.7 g Accelerometer with SPI Interface

Analog Devices ADIS16003 Product Info

10 February 2026 10

Features

  • Dual-axis accelerometer
  • SPI digital output interface
  • Internal temperature sensor
  • Highly integrated; minimal external components; bandwidth externally selectable
  • 1mg resolution at 60 Hz
  • Externally controlled electrostatic self-test
  • 3.0 V to 5.25 V single-supply operation
  • Low power: <2mA
  • 3500 g shock survival
  • 7.2 mm × 7.2 mm × 3.6 mm package

Part details & applications

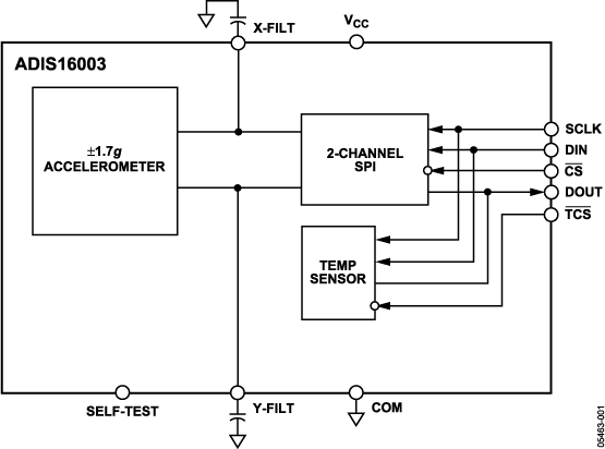
The ADIS16003 is a low cost, low power, complete dual-axis accelerometer with an integrated serial peripheral interface (SPI). An integrated temperature sensor is also available on the SPI interface. The ADIS16003 measures acceleration with a full-scale range of ±1.7g (minimum), and it can measure both dynamic acceleration (vibration) and static acceleration (gravity).

The typical noise floor is 110 µg/√Hz, allowing signals below 1 mg (60 Hz bandwidth) to be resolved.

The bandwidth of the accelerometer is set with optional capacitors CX and CY at the XFILT and YFILT pins. Selection of the two analog input channels is controlled via the serial interface.

An externally driven self-test pin (ST) allows the user to verify the accelerometer functionality.

The ADIS16003 is available in a 7.2 mm × 7.2 mm × 3.7 mm, 12-terminal LGA package.

Applications

  • Industrial vibration/motion sensing
  • Platform stabilization
  • Dual-axis tilt sensing
  • Tracking, recording, and analysis devices
  • Alarms and security devices

Subscribe to Welllinkchips !
Your Name
* Email
Submit a request