0
MAX19713
  • MAX19713

MAX19713

PRODUCTION

10-Bit, 45Msps, Full-Duplex, Analog Front-End Ultra-Low Power AFE with Integrated Tx DACs, Rx ADCs, and Auxiliary Control Data Converters

Analog Devices MAX19713 Product Info

10 February 2026 4

Features

  • Dual 10-Bit, 45Msps Rx ADC and Dual 10-Bit, 45Msps Tx DAC
  • Ultra-Low Power
    • 91.8mW at fCLK = 45MHz, FD Mode
    • 79.2mW at fCLK = 45MHz, Slow Rx Mode
    • 49.5mW at fCLK = 45MHz, Slow Tx Mode
    • Low-Current Standby and Shutdown Modes
  • Programmable Tx DAC Common-Mode DC Level and I/Q Offset Trim
  • Excellent Dynamic Performance
    • SNR = 54.1dB at fIN = 5.5MHz (Rx ADC)
    • SFDR = 70.3dBc at fOUT = 2.2MHz (Tx DAC)
  • Three 12-Bit, 1µs Aux-DACs
  • 10-Bit, 333ksps Aux-ADC with 4:1 Input Mux and Data Averaging
  • Excellent Gain/Phase Match
    • ±0.03° Phase, ±0.02dB Gain (Rx ADC) at fIN = 5.5MHz
  • Multiplexed Parallel Digital I/O
  • Serial-Interface Control
  • Versatile Power-Control Circuits
    • Shutdown, Standby, Idle, Tx/Rx Disable
  • Miniature 56-Pin TQFN Package (7mm x 7mm x 0.8mm)

Part details & applications

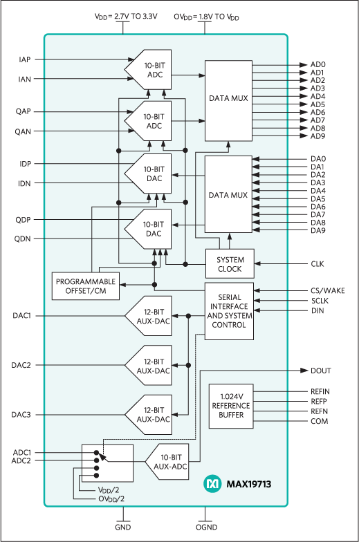
The MAX19713 is an ultra-low-power, highly integrated mixed-signal analog front-end (AFE) ideal for wideband communication applications operating in full-duplex (FD) mode. Optimized for high dynamic performance and ultra-low power, the device integrates a dual 10-bit, 45Msps receive (Rx) ADC; dual 10-bit, 45Msps transmit (Tx) DAC; three fast-settling 12-bit aux-DAC channels for ancillary RF front-end control; and a 10-bit, 333ksps housekeeping aux-ADC. The typical operating power in FD mode is 91.8mW at a 45MHz clock frequency.

The Rx ADCs feature 54dB SINAD and 72.2dBc SFDR at 5.5MHz input frequency with a 45MHz clock frequency. The analog I/Q input amplifiers are fully differential and accept 1.024VP-P full-scale signals. Typical I/Q channel matching is ±0.03 phase and ±0.02dB gain.

The Tx DACs feature 70.3dBc SFDR at fOUT = 2.2MHz and fCLK = 45MHz. The analog I/Q full-scale output voltage range is ±400mV differential. The output DC common-mode voltage is selectable from 0.71V to 1.06V. The I/Q channel offset is adjustable to optimize radio lineup sideband/carrier suppression. Typical I/Q channel matching is ±0.01dB gain and ±0.05° phase.

Two independent 10-bit parallel, high-speed digital buses used by the Rx ADC and Tx DAC allow full-duplex operation for frequency-division duplex applications. The Rx ADC and Tx DAC can be disabled independently to optimize power management. A 3-wire serial interface controls power-management modes, the aux-DAC channels, and the aux-ADC channels.

The MAX19713 operates on a single 2.7V to 3.3V analog supply and 1.8V to 3.3V digital I/O supply. The MAX19713 is specified for the extended (-40°C to +85°C) temperature range and is available in a 56-pin

Subscribe to Welllinkchips !
Your Name
* Email
Submit a request