0
ADPD7000
  • ADPD7000
  • ADPD7000
  • ADPD7000

ADPD7000

RECOMMENDED FOR NEW DESIGNS

Multimodal Sensor Front End

Analog Devices ADPD7000 Product Info

10 February 2026 10

Features

  • Multimodal analog front end
  • Optical channel
    • 4 input channels with multiple operation modes for various sensor measurements
    • 4-channel processing with simultaneous sampling
    • 12 programmable time slots for synchronized sensor measurements
    • Flexible input multiplexing to support single-ended sensor measurements
    • 8 LED drivers, 2 of which can be driven simultaneously
    • Flexible sampling rate from 0.004 Hz to 9 kHz using internal oscillators
    • AC ambient light rejection: 78 dB up to 100 Hz
    • 400 mA total LED peak drive current
    • Individual ambient cancellation DAC at TIA input with 9-bit control up to 300 μA
    • Individual LED DC cancellation DAC at TIA input with 7-bit control up to 190 μA
  • ECG channel
    • <1 μV RMS RTI noise at diagnosis bandwidth
    • High input impedance 20 GΩ
    • Accepts up to ±1.2 V of DC differential input range
    • CMRR: 115 dB
    • Flexible 4 electrode configurations to support various applications
    • Both AC lead off detection and DC lead off detection
    • Support always on, low power, lead on detection
  • BIA channel
    • Low power, high accuracy excitation path
    • Configurable excitation frequency up to 250 kHz
    • Sine wave excitation with a 12-bit DAC
    • High accuracy with large imbalance contact impedance ≤20 kΩ
    • Configurable receive filters with low noise design
    • Complex impedance measurement engine
    • Integrated current-limit resistors
  • EDA channel

Part details & applications

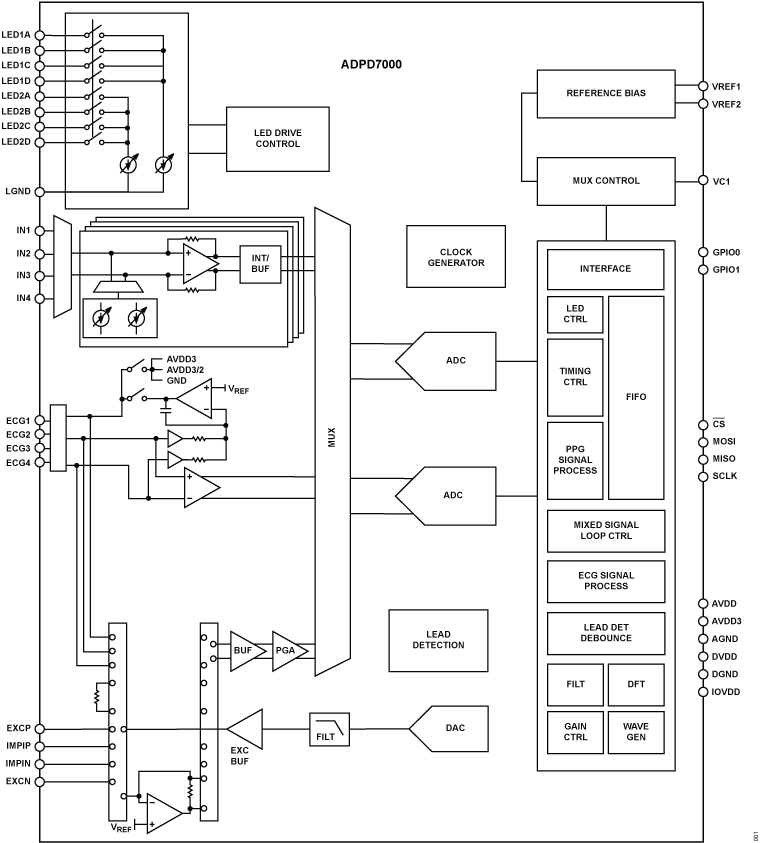
The ADPD7000 is a highly integrated analog front end (AFE) designed for measuring various vital signals.

The optical channel is designed as an optical transceiver, stimulating up to eight light emitting diodes (LEDs) and measuring the return signal on up to four separate current inputs. The signal chain rejects signal offsets and corruption from asynchronous modulated interference, typically from ambient light, eliminating the need for optical filters or externally controlled DC cancellation circuitry.

The electrocardiography (ECG) signal acquisition is designed to support low noise, diagnostic level measurement in the presence of a variety of interferers. The ECG signal chain has a number of complementary features supporting ECG measurement, such as driven reference for common-mode rejection and lead off detection to identify a fallen electrode.

The body impedance analysis (BIA) signal chain is designed for body impedance measurement with a configurable excitation path and measurement path. A 12-bit digital-to-analog converter (DAC) is used in the excitation path to generate the sinusoid wave and high precision measurement, with configurable filters used to measure the body response of the stimulus.

The electrodermal activity (EDA) signal chain is designed for electrodermal activity. By multiplexing BIA and ECG peripheral circuits, the ADPD7000 supports high precision AC and DC measurement with 1 nS resolution.

The data output and functional configuration use a serial port interface (SPI) on the ADPD7000. The control circuitry includes flexible LED signaling and synchronous detection, digital filters, digital wave generators, and configurable filters.

The ADPD7000 is available in a 2.795 mm × 2.560 mm, 0.40 mm pitch, 36-ball WLCSP.

APPLICATIONS

  • Wearable health and fitness monitors: heart rate, heart rate variability, saturation level of