0
HMC720
  • HMC720

HMC720

RECOMMENDED FOR NEW DESIGNS

13 Gbps Fast Rise Time 1:2 Fanout Buffer with Programmable Output Voltage

Analog Devices HMC720 Product Info

10 February 2026 6

Features

  • Inputs Terminated Internally in 50 Ohms
  • Differential Inputs are DC Coupled
  • Propagation Delay: 120 ps
  • Fast Rise and Fall Times: 19 / 18 ps
  • Power Dissipation: 300 mW
  • Programmable Differential Output Voltage Swing: 600 - 1100 mV
  • Single Supply: -3.3 V
  • 16 Lead 3x3mm SMT Package: 9mm²

Part details & applications

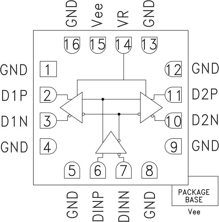
The HMC720LP3E is a 1:2 Fanout Buffer designed to support data transmission rates up to 14 Gbps, and clock frequencies as high as 14 GHz.

All differential inputs to the HMC720LP3E are CML and terminated on-chip with 50 Ohms to the positive supply, GND, and may be DC or AC coupled. Outputs can be connected directly to a 50 Ohm ground-terminated system or drive devices with CML logic input. The HMC720LP3E also features an ouput level control pin, VR, which allows for loss compensation or signal level optimization. The HMC720LP3E operates from a single -3.3 V supply and is available in ROHS-compliant 3x3 mm SMT package. 

APPLICATIONS

  • 16 G Fiber Channel
  • RF ATE Applications
  • Broadband Test & Measurement
  • Serial Data Transmission up to 13 Gbps
  • Clock Buffering up to 13 GHz

Subscribe to Welllinkchips !
Your Name
* Email
Submit a request