0
HMC651
  • HMC651

HMC651

RECOMMENDED FOR NEW DESIGNS

Fixed, 20 mil Thru Line Passive Attenuator Chip, DC - 50 GHz

Analog Devices HMC651 Product Info

10 February 2026 9

Features

  • Wide Bandwidth: DC - 50 GHz
  • 9 Attenuator Products:
    0, 2, 3, 4, 6, 10, 15, & 20 dB Fixed Levels
  • Power Handling: +25 dBm
  • HMC651 & HMC658
    Die Size: 0.57 × 0.45 × 0.1 mm
  • HMC650, HMC652, HMC653, HMC654, HMC655, HMC656 & HMC657
    Die Size: 0.42 × 0.45× 0.1 mm
  • Included in the HMC-DK006 Designer’s Kit

Part details & applications

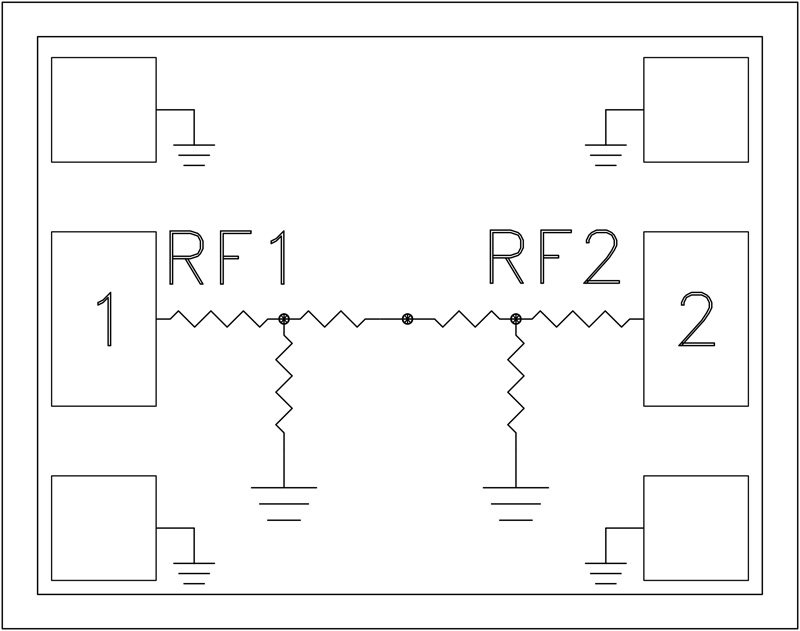
The HMC650/HMC651/HMC652/HMC653/HMC654/HMC655/HMC656/HMC657/HMC658 are a line of wideband fixed value 50 Ohm matched attenuator chips which offer relative attenuation levels of 0, 2, 3, 4, 6, 10, 15 and 20 dB. These passive thoughlines and attenuators are ideal for microstrip, hybrid, and multi-chip module applications where extremely flat attenuation, and excellent VSWR vs. frequency are required.

These wideband attenuators feature low inductance on-chip vias, and require no additional ground connections. The HMC650 through HMC658 are backside metallized with gold, and are suitable for eutectic or epoxy die attach. Each of the 9 products can be purchased individually by their respective part number or in a set of 10 each in the HMC-DK006 Fixed Attenuator Chip Designer’s Kit.

Applications

  • Fiber Optics
  • Microwave Radio
  • Military & Space Hybrids
  • Test & Measurement
  • Scientific Instruments
  • RF/Microwave Circuit Prototyping

Subscribe to Welllinkchips !
Your Name
* Email
Submit a request