0
HMC587
  • HMC587

HMC587

RECOMMENDED FOR NEW DESIGNS

Wideband VCO SMT w/Buffer Amplifier, 5 - 10 GHz

Analog Devices HMC587 Product Info

10 February 2026 8

Features

  • Wide Tuning Bandwidth
  • Pout: +5 dBm
  • Low SSB Phase Noise: -95 dBc/Hz @100 kHz
  • No External Resonator Needed
  • Single Positive Supply: +5V @ 55 mA
  • RoHS Compliant 4x4 mm SMT Package

Part details & applications

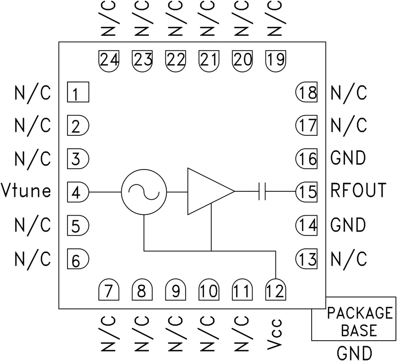
The HMC587LC4B is a wideband GaAs InGaP Voltage Controlled Oscillator which incorporates the resonator, negative resistance device, and varactor diode. Output power and phase noise performance are excellent over temperature due to the oscillator’s monolithic construction. The Vtune port accepts an analog tuning voltage from 0 to +18 volts. The HMC587LC4B VCO operates from a single +5V supply, consumes only 55 mA of current, and is housed in a RoHS compliant SMT package. This wideband VCO uniquely combines the attributes of ultra small size, low phase noise, low power consumption, and wide tuning range.

APPLICATIONS

  • Industrial/Medical Equipment
  • Test & Measurement Equipment
  • Military Radar, EW & ECM

Subscribe to Welllinkchips !
Your Name
* Email
Submit a request