0
HMC734
  • HMC734

HMC734

RECOMMENDED FOR NEW DESIGNS

VCO with Divide-by-4, 8.6 - 10.2 GHz

Analog Devices HMC734 Product Info

10 February 2026 11

Features

  • Dual Output: Fo = 8.6 - 10.2 GHz
    Fo/4 = 2.15 - 2.55 GHz
  • Pout: +18 dBm
  • Phase Noise: -100 dBc/Hz @ 100 kHz Typ.
  • No External Resonator Needed
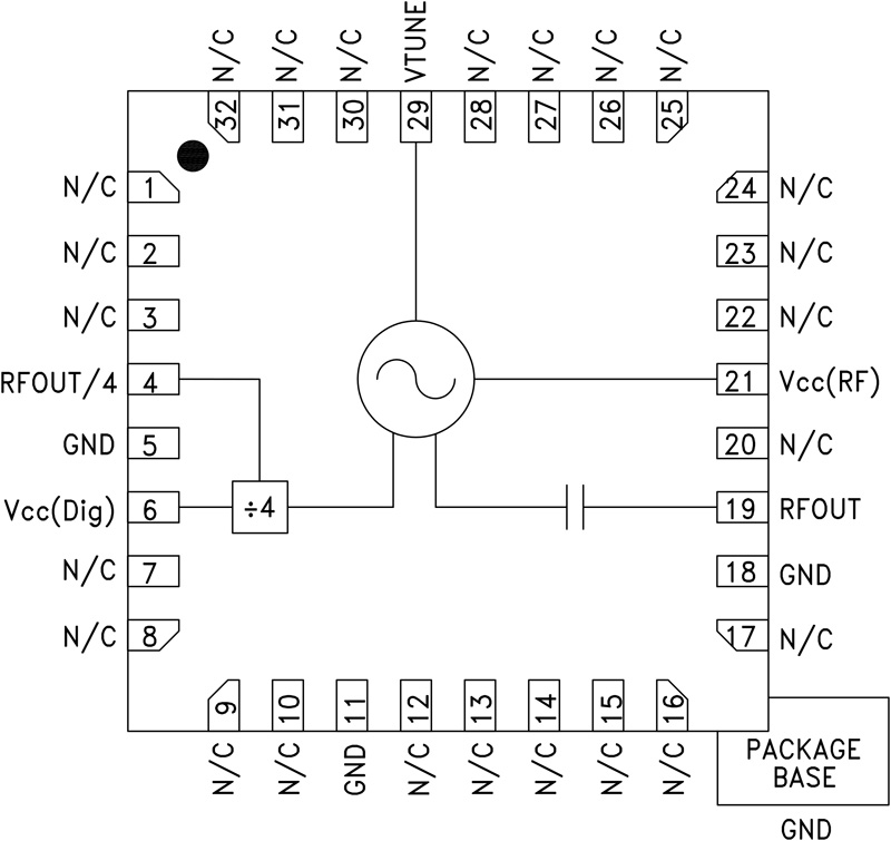
  • 32 Lead 5×5 mm QFN Package: 25 mm2

Part details & applications

The HMC734 is a GaAs InGaP Heterojunction Bipolar Transistor (HBT) MMIC VCO. The HMC734 integrates a resonator, negative resistance device, varactor diode and features a divide-by-4 frequency output. The VCO's phase noise performance is excellent over temperature, shock, and process due to the oscillator's monolithic structure. Power output is +18 dBm typical from a +5V supply voltage. The prescaler function can be disabled to conserve current if not required. The voltage controlled oscillator is packaged in a leadless QFN 5×5 mm surface mount package, and requires no external matching components.

APPLICATIONS

  • Point-to-Multi-Point Radios
  • Test Equipment & Industrial Controls
  • SATCOM
  • Military End-Use

Subscribe to Welllinkchips !
Your Name
* Email
Submit a request