0
HMC533
  • HMC533

HMC533

RECOMMENDED FOR NEW DESIGNS

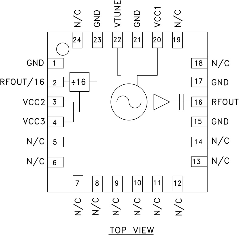
SMT VCO with Divide-by-16, 23.8 - 24.8 GHz

Analog Devices HMC533 Product Info

10 February 2026 10

Features

  • Pout: +12 dBm
  • Phase Noise: -95 dBc/Hz @100 KHz Typ.
  • No External Resonator Needed
  • Single Supply: +5V @ 220 mA
  • QFN Leadless SMT Package, 16 mm2

Part details & applications

The HMC533LP4(E) are GaAs InGaP Heterojunction Bipolar Transistor (HBT) MMIC VCOs. The HMC533LP4(E) integrate resonators, negative resistance devices, varactor diodes and feature a divide-by-16 output. T he VCO’s phase noise performance is excellent over temperature, shock, and process due to the oscillator’s monolithic structure. Power output is +12 dBm typical from a +5V supply voltage. Prescaler function can be disabled to conserve current if not required. The voltage controlled oscillator is packaged in a leadless QFN 4x4 mm surface mount package.

APPLICATIONS

  • VSAT Radio
  • Point-to-Point/Multi-point Radio
  • Test Equipment & Industrial Controls
  • Military End-Use
  • Automotive Radar

Subscribe to Welllinkchips !
Your Name
* Email
Submit a request