0
HMC494
  • HMC494

HMC494

RECOMMENDED FOR NEW DESIGNS

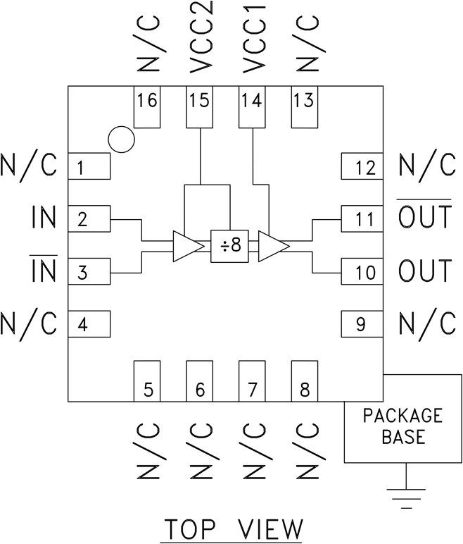
InGaP HBT Divide-by-8 SMT, DC - 18 GHz

Analog Devices HMC494 Product Info

10 February 2026 11

Features

  • Ultra Low SSB Phase Noise:
    -150 dBc/Hz
  • Very Wide Bandwidth
  • Output Power: -4 dBm
  • Single DC Supply: +5V
  • 3×3 mm QFN Package

Part details & applications

The HMC494LP3(E) is a low noise Divide-by-8 Static Divider utilizing InGaP GaAs HBT technology packaged in leadless 3×3 mm QFN surface mount plastic package. This device operates from DC (with a square wave input) to 18 GHz input frequency from a single +5V DC supply. The low additive SSB phase noise of -150 dBc/Hz at 100 kHz offset helps the user maintain excellent system noise performance.

APPLICATIONS

  • Point-to-Point / Multi-Point Radios 
  • VSAT Radios 
  • Fiber Optic 
  • Test Equipment 
  • Military

Subscribe to Welllinkchips !
Your Name
* Email
Submit a request