0
AD7999
  • AD7999
  • AD7999
  • AD7999

AD7999

PRODUCTION

4-Channel, 8-Bit ADC with I2C Compatible Interface in 8-Lead SOT-23

Analog Devices AD7999 Product Info

10 February 2026 9

Features

  • 12-/10-/8-bit ADCs with fast conversion time: 1 μs typical
  • 4 analog input channels/3 analog input channels with reference input
  • Specified for VDD of 2.7 V to 5.5 V
  • Sequencer operation
  • Temperature range: −40°C to +125°C
  • I2C-compatible serial interface supports standard, fast, and high speed modes
  • 2 versions allow 2 I2C addresses
  • Low power consumption
    Shutdown mode: 1 μA maximum
  • 8-lead SOT-23 package
  • Qualified for automotive applications

Part details & applications

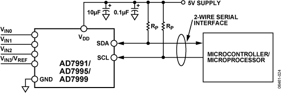
The AD7991 / AD7995 / AD7999 are 12-/10-/8-bit, low power, successive approximation ADCs with an I2C®-compatible interface. Each part operates from a single 2.7 V to 5.5 V power supply and features a 1 μs conversion time. The track-and-hold amplifier allows each part to handle input frequencies of up to 14 MHz, and a multiplexer allows taking samples from four channels.

Each AD7991 / AD7995 / AD7999 provides a 2-wire serial interface compatible with I2C interfaces. The AD7991 and AD7995 come in two versions and each version has an individual I2C address. This allows two of the same devices to be connected to the same I2C bus. Both versions support standard, fast, and high speed I2C interface modes. The AD7999 comes in one version.

The AD7991 / AD7995 / AD7999 normally remain in a shutdown state, powering up only for conversions. The conversion process is controlled by a command mode, during which each I2C read operation initiates a conversion and returns the result over the I2C bus.

When four channels are used as analog inputs, the reference for the part is taken from VDD; this allows the widest dynamic input range to the ADC. Therefore, the analog input range to the ADC is 0 V to VDD;. An external reference, applied through the VIN3/VREF input, can also be used with this part.

PRODUCT HIGHLIGHTS

  1. Four single-ended analog input channels, or three single-ended analog input channels and one reference input channel.
  2. I2C-compatible serial interface. Standard, fast, and high speed modes.
  3. Automatic shutdown.
  4. Reference derived from the power supply or external reference.
  5. 8-lead SOT-23 package.
Subscribe to Welllinkchips !
Your Name
* Email
Submit a request