0
LTC2453
  • LTC2453
  • LTC2453
  • LTC2453
  • LTC2453

LTC2453

PRODUCTION

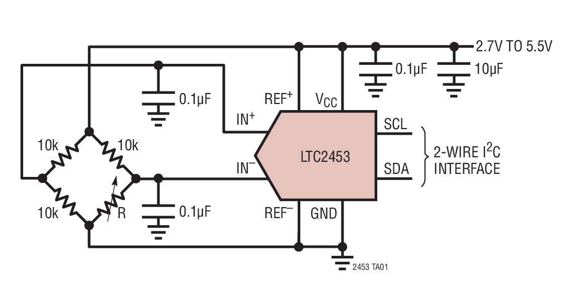
Ultra-Tiny, Differential, 16-Bit ∆Σ ADC With I2C Interface

Analog Devices LTC2453 Product Info

10 February 2026 8

Features

  • ±VCC Differential Input Range
  • 16-Bit Resolution (Including Sign), No Missing Codes
  • 2LSB Offset Error
  • 4LSB Full-Scale Error
  • 60 Conversions Per Second
  • Single Conversion Settling Time for Multiplexed Applications
  • Single-Cycle Operation with Auto Shutdown
  • 800μA Supply Current
  • 0.2μA Sleep Current
  • Internal Oscillator—No External Components Required
  • 2-Wire I2C Interface
  • Ultra-Tiny 8-Pin 3mm × 2mm DFN and TSOT23 Packages

Part details & applications

The LTC2453 is an ultra-tiny, fully differential, 16-bit, analog-to-digital converter. The LTC2453 uses a single 2.7V to 5.5V supply and communicates through an I2C interface. The ADC is available in an 8-pin, 3mm × 2mm DFN package or 8-pin, 3mm × 3mm TSOT package. It includes an integrated oscillator that does not require any external components. It uses a delta-sigma modulator as a converter core and has no latency for multiplexed applications. The LTC2453 includes a proprietary input sampling scheme that reduces the average input sampling current several orders of magnitude lower than conventional delta-sigma converters. Additionally, due to its architecture, there is negligible current leakage between the input pins.

The LTC2453 can sample at 60 conversions per second, and due to the very large oversampling ratio, has extremely relaxed antialiasing requirements. The LTC2453 includes continuous internal offset and full-scale calibration algorithms which are transparent to the user, ensuring accuracy over time and over the operating temperature range. The converter has external REF+ and REF pins and the differential input voltage range can extend up to ±(VREF+ – VREF).

Following a single conversion, the LTC2453 can automatically enter a sleep mode and reduce its power to less than 0.2μA. If the user reads the ADC once a second, the LTC2453 consumes an average of less than 50μW from a 2.7V supply.

Applications

  • System Monitoring
  • Environmental Monitoring
  • Direct Temperature Measurements
  • Instrumentation
  • Industrial Process Control
  • Data Acquisition
  • Embedded ADC Upgrades

Subscribe to Welllinkchips !
Your Name
* Email
Submit a request