0
ADP1715
  • ADP1715
  • ADP1715
  • ADP1715

ADP1715

PRODUCTION

500 mA Low-Dropout CMOS Linear Regulator with Soft Start

Analog Devices ADP1715 Product Info

10 February 2026 7

Features

  • Maximum output current: 500 mA
  • Input voltage range:
    2.5 V to 5.5 V
  • Low shutdown current: <1 μA
  • Low dropout voltage:
    250 mV @ 500 mA load
    50 mV @ 100 mA load
  • Initial accuracy: ±1%
  • Accuracy over line, load, and temperature: ±3%
  • 16 Fixed Output Voltage Options with soft start from 0.75V to 3.3V
  • Adjustable Output Voltage from 0.8V to 5.0V
  • Stable with small 2.2 μF ceramic output capacitor
  • Excellent load/line transient response
  • Current limit & thermal overload protection
  • Logic controlled enable

Part details & applications

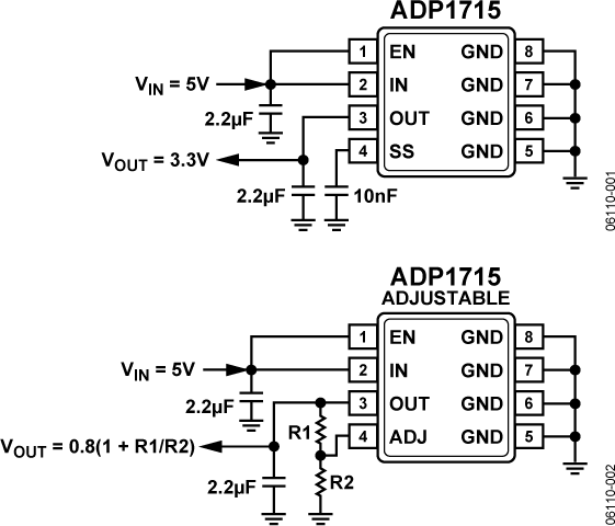
The ADP1715 / ADP1716 are low dropout, CMOS linear regulators that operate from 2.5 V to 5.5 V and provide up to 500 mA of output current. Using an advanced proprietary architecture, they provide high power supply rejection and achieve excellent line and load transient response with just a small 2.2 μF ceramic output capacitor.

Three versions of this part are available, one with fixed output voltage options and variable soft start (ADP1715), one with adjustable output voltage and fixed soft start (ADP1715 Adjustable), and one with voltage tracking in fixed output voltage options (ADP1716). The fixed output voltage options are internally set to one of sixteen values between 0.75 V and 3.3 V; the adjustable output voltage can be set to any value between 0.8 V and 5.0 V by an external voltage divider connected from OUT to ADJ. The variable soft start uses an external capacitor at SS to control the output voltage ramp. Tracking limits the output voltage to the at-or-below voltage at the TRK pin.

The ADP1715 / ADP1716 are available in 8-lead thermally enhanced MSOP packages, making them not only a very compact solution but also providing excellent thermal performance for applications requiring up to 500 mA of output current in a small, low profile footprint.

APPLICATIONS

  • Notebook computers
  • Memory components
  • Telecommunications equipment
  • Network Equipment
  • DSP/FPGA/µP supplies
  • Instrumentation equipment/data acquisition systems

Subscribe to Welllinkchips !
Your Name
* Email
Submit a request