0
HMC6787A
  • HMC6787A

HMC6787A

RECOMMENDED FOR NEW DESIGNS

GaAs MMIC I/Q Upconverter, 37 - 40 GHz

Analog Devices HMC6787A Product Info

10 February 2026 16

Features

  • Conversion Gain: 10 dB
  • Sideband Rejection: 17 dBc
  • High Output IP3: +27 dBm
  • 16 Lead 5x5 mm SMT Ceramic Package: 25 mm2

Part details & applications

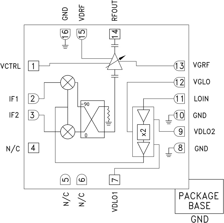
The HMC6787ALC5A is a compact GaAs MMIC I/Q variable gain upconverter in a leadless RoHS compliant SMT package. This device provides a small signal conversion gain of 11 dB with 17 dBc of sideband rejection, and 13 dB of gain control. The HMC6787ALC5A utilizes a RF variable gain amplifier preceded by an I/Q mixer where the LO is driven by a X2 multiplier. IF1 and IF2 mixer inputs are provided and an external 90° hybrid is needed to select the required sideband. The I/Q mixer topology reduces the need for filtering of the unwanted sideband. The HMC6787ALC5A is a much smaller alternative to hybrid style single sideband upconverter assemblies and it eliminates the need for wire bonding by allowing the use of surface mount manufacturing techniques.

APPLICATIONS

  • Point-to-Point and Point-to-Multi-Point Radio
  • Military Radar, EW & ELINT
  • Satellite Communications
  • Sensors

Subscribe to Welllinkchips !
Your Name
* Email
Submit a request