0
HMC534
  • HMC534

HMC534

RECOMMENDED FOR NEW DESIGNS

VCO SMT with Fo/2 & Divide-by-4, 10.6 - 11.8 GHz

Analog Devices HMC534 Product Info

10 February 2026 8

Features

  • Dual Output: Fo = 10.6 - 11.8 GHz
    Fo/2 = 5.3 - 5.9 GHz
  • Pout: +11 dBm
  • Phase Noise: -110 dBc/Hz @ 100 kHz Typ.
  • No External Resonator Needed
  • 32 Lead 5 × 5mm SMT Package: 25mm2

Part details & applications

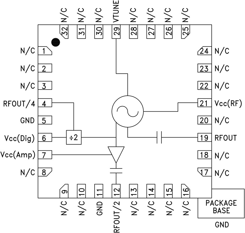
The HMC534LP5(E) is a GaAs InGaP Heterojunction Bipolar Transistor (HBT) MMIC VCO. The HMC534LP5(E) integrates resonators, negative resistance devices, varactor diodes and feature half frequency and divide-by-4 outputs. The VCO’s phase noise performance is excellent over temperature, shock, and process due to the oscillator’s monolithic structure. Power output is +11 dBm typical from a +5V supply voltage. The prescaler and RF/2 functions can be disabled to conserve current if not required. The voltage controlled oscillator is packaged in a leadless QFN 5x5 mm surface mount package, and requires no external matching components.

APPLICATIONS

  • Point-to-Point/Multi-point Radio
  • Test Equipment & Industrial Controls
  • SATCOM
  • Military End-Use

Subscribe to Welllinkchips !
Your Name
* Email
Submit a request