0
HMC736
  • HMC736

HMC736

RECOMMENDED FOR NEW DESIGNS

MMIC VCO w/ Half Frequency Output, 14.5 - 15.0 GHz

Analog Devices HMC736 Product Info

10 February 2026 10

Features

  • Dual Output: Fo = 14.5 - 15.0 GHz
    Fo/2 = 7.25 - 7.5 GHz
  • Pout: +9 dBm
  • Phase Noise: -105 dBc/Hz @ 100 kHz
  • No External Resonator Needed
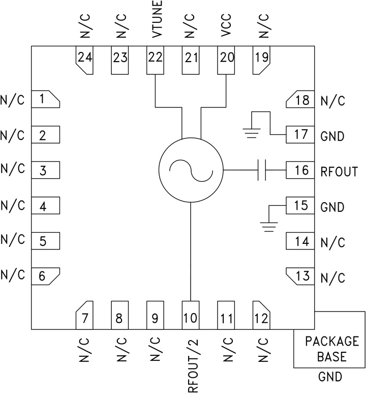
  • 24 Lead 4×4 mm QFN Package: 16 mm2

Part details & applications

The HMC736 is a GaAs InGaP Heterojunction Bipolar Transistor (HBT) MMIC VCO. The HMC736 integrates a resonator, negative resistance device, varactor diode and feature half frequency output. The VCO's phase noise performance is excellent over temperature, shock, and process due to the oscillator's monolithic structure. Power output is +9 dBm typical from a +4.2V supply voltage. The voltage controlled oscillator is packaged in a leadless QFN 4×4 mm surface mount package, and requires no external matching components.

APPLICATIONS

  • Point-to-Multi-Point Radios
  • Test Equipment & Industrial Controls
  • SATCOM
  • Military End-Use

Subscribe to Welllinkchips !
Your Name
* Email
Submit a request