0
ADGM1004
  • ADGM1004
  • ADGM1004

ADGM1004

RECOMMENDED FOR NEW DESIGNS

0 Hz/DC to 13 GHz, 2.5 kV HBM ESD, SP4T, MEMS Switch with Integrated Driver

Analog Devices ADGM1004 Product Info

10 February 2026 5

Features

  • Fully operational down to 0 Hz/dc
    • On resistance: 2.9 Ω (maximum)
    • Off leakage: 0.5 nA (maximum)
  • −3 dB bandwidth
    • 10.8 GHz (typical) for RF1, RF4
    • 13 GHz (typical) for RF2, RF3
  • RF performance characteristics
    • Insertion loss: 0.45 dB (typical) at 2.5 GHz
    • Isolation: 24 dB (typical) at 2.5 GHz
    • IP3: 67 dBm (typical)
    • RF input power: 32 dBm (maximum)
  • Actuation lifetime: 1 billion cycles (minimum)
    • Hermetically sealed switch contacts
    • On switching time: 75 µs (maximum)
  • ESD HBM rating
    • 5 kV for RF1 to RF4 and RFC pins
    • 2.5 kV for all other pins
  • Integrated driver removes the need for an external driver
    • Supply voltage: 3.0 V to 3.6 V
    • CMOS/LVTTL compatible
    • Parallel and SPI Interface
    • Independently controllable switches
  • Switch is in an open state with no power supply present
  • Requirement to avoid floating nodes on all RFx pins
  • 5 mm × 4 mm × 1.45 mm, 24-lead LFCSP
  • Operating temperature range: 0°C to 85°C

Part details & applications

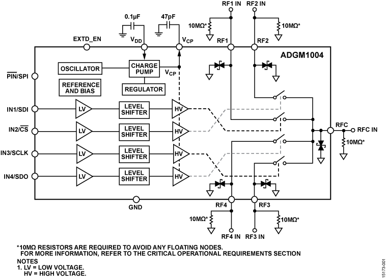
The ADGM1004 is a wideband, single-pole, four-throw (SP4T) switch fabricated using Analog Devices, Inc., microelectro-mechanical system (MEMS) switch technology. This technology enables a small form factor, wide RF bandwidth, highly linear, low insertion loss switch that is operational from 0 Hz/dc to 13 GHz, making it an ideal solution for a wide range of RF and precision equipment switching needs.

An integrated driver chip generates a high voltage to electrostatically actuate switch that can be controlled by a parallel interface and a serial peripheral interface (SPI). All four switches are independently controllable.

The device is packaged in a 24-lead, 5 mm × 4 mm × 1.45 mm, lead frame chip-scale package (LFCSP).

To ensure optimum operation of the ADGM1004, follow the Critical Operational Requirements section exactly.

The on resistance (RON) performance of the ADGM1004 is affected by part to part variation, channel to channel variation, cycle actuations, settling time post turn on, bias voltage, and temperature changes.

Note that throughout this data sheet, multifunction pins, such as IN1/SDI, are referred to either by the entire pin name or by a single function of the pin, for example, SDI, when only that function is relevant.

Applications

  • Relay replacements
  • Automatic test equipment (ATE): RF, digital, and mixed signals
  • Load and probe boards: RF, digital, and mixed signals
  • RF test instrumentation
  • Reconfigurable filters and attenuators
  • High performance RF switching

Subscribe to Welllinkchips !
Your Name
* Email
Submit a request