0
ADES1756
  • ADES1756
  • ADES1756
  • ADES1756

ADES1756

RECOMMENDED FOR NEW DESIGNS

14-Channel, High-Voltage Data-Acquisition Systems

Analog Devices ADES1756 Product Info

10 February 2026 7

Features

  • 65V Operating Voltage
  • Ultra-Low Power Operation
    • Shutdown Mode: 2μA
  • RedundantADC and Comparator (COMP) Acquisitions
  • Simultaneous Cell and Bus-Bar Voltage Acquisitions
  • 14 Cell-Voltage Measurement Channels
    • 2.2mV/5mV/10mV Accuracy (-40°C to +105°C)
    • 1.8mV Accuracy (+5°C to +65°C)
  • 14 Cell-Balancing Switches
    • >300mA Software-Programmable BalancingCurrent
    • Automated Balancing with Individual Cell Timers
    • Automated Balancing by Cell Voltage
    • Emergency Discharge Mode
  • Six Configurable Auxiliary Inputs for Temperature,Voltage, or GPIO
  • Integrated Die Temperature Measurement
  • Automatic Thermal Protection
  • Hot Plug-Tolerant without External Protection
  • Individually Configurable Safety Alerts
    • Overvoltage, Undertemperature Faults
    • Undervoltage, Overtemperature Faults
    • 1-Cell Mismatch Alert
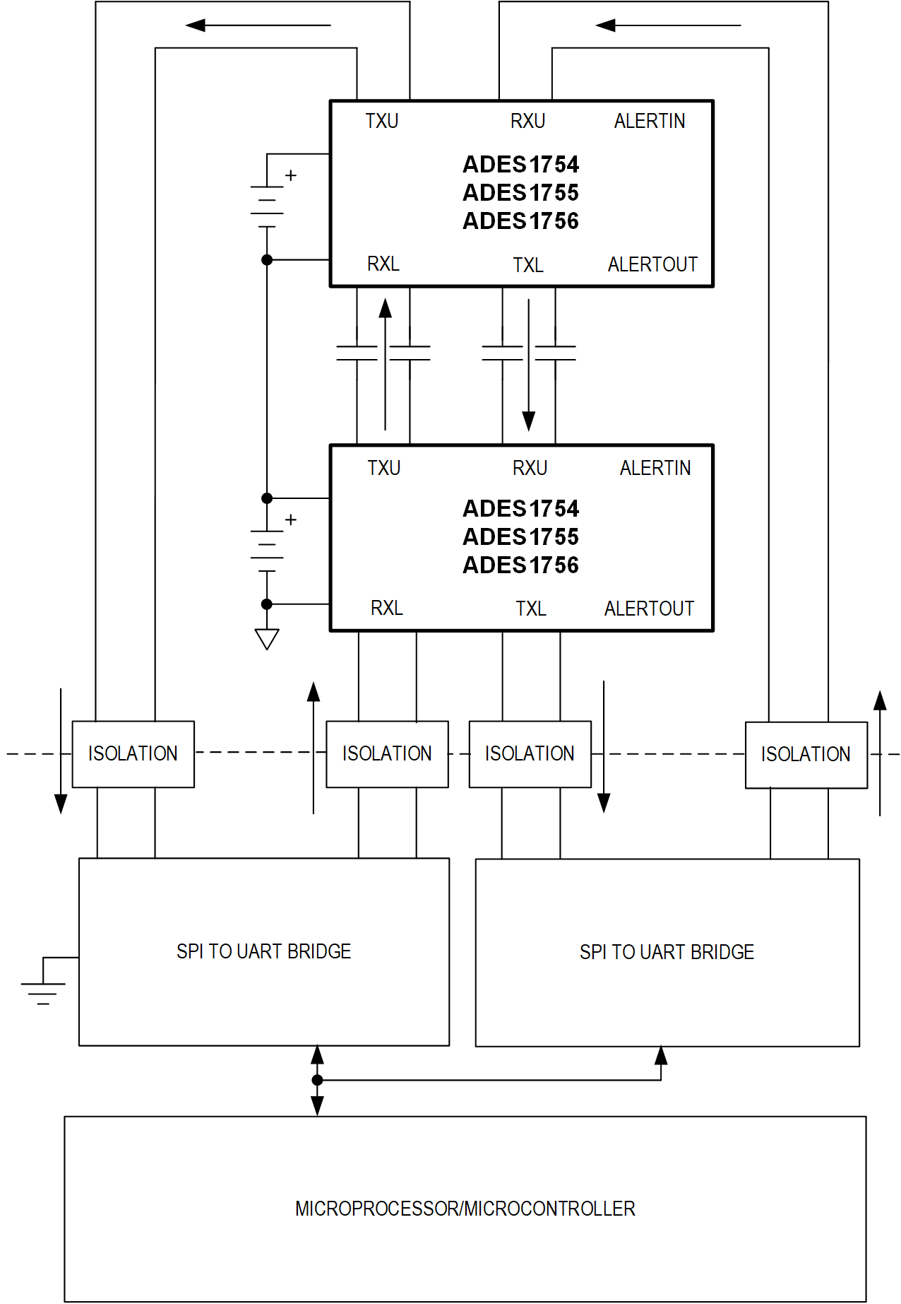
  • UART, Dual UART Interface
  • Battery-Management UART Protocol
    • Daisy-Chain up to 32 Devices
    • Inductive for Higher Galvanic Isolation
    • Up to 2Mbps Baud Rate (Auto-Detect)
    • 1.5μs Propagation Delay per Device
    • Packet-Error Checking (PEC)
  • I2C Controller
  • Configurable Hardware-Alert Interfaces
  • 32-Bit Unique Device ID

Part details & applications

The ADES1754/ADES1755/ADES1756 are flexible data-acquisition systems for the management of high-voltage and low-voltage battery modules. The systems can measure 14 cell voltages and a combination of six temperatures or system voltage measurements with fully redundant measurement engines in 162μs, or perform all inputs solely with the ADC measurement engine in 99μs. Fourteen internal balancing switches rated for >300mA for cell-balancing current support extensive built-in diagnostics. Up to 32 devices can be daisy-chained to manage 448 cells and monitor 192 temperatures.

Cell and bus-bar voltages ranging from -2.5V to +5V are measured differentially over a 65V common-mode range, with a typical accuracy of 100μV. If oversampling is enabled, up to 128 measurements per channel can be averaged internally with 14-bit resolution and combined with digital post-processing IIR filtering for increased noise immunity.

The system can shut itself down in the event of a thermal overload by measuring its own die temperature. The system uses Analog Devices' battery-management UART protocol for robust communications and supports an I2C controller interface for external device control. It is optimized to support a reduced feature set of internal diagnostics and rapid-alert communication through both embedded communication and hardware-alert interfaces.

APPLICATIONS

  • Residential Battery Storage Systems
  • High-Voltage Battery Stacks
  • Battery-Backup Systems (UPS)
  • Super-Cap Systems
  • EV Charging

Subscribe to Welllinkchips !
Your Name
* Email
Submit a request