0
AD9106
  • AD9106
  • AD9106

AD9106

PRODUCTION

Quad, Low Power, 12-Bit, 180 MSPS, Digital-to-Analog Converter and Waveform Generator

Analog Devices AD9106 Product Info

10 February 2026 9

Features

  • Highly integrated quad DAC
  • On-chip 4096 × 12-bit pattern memory
  • On-chip DDS
  • Power dissipation at 3.3 V, 4 mA output typical
    • 315.25 mW at 180 MSPS
  • Power-down mode: <5 mW at 3.3 V
  • Supply voltage: 1.8 V to 3.3 V
  • SFDR to Nyquist: 86 dBc at 10 MHz output
  • Phase noise at 1 kHz offset, 180 MSPS, 4 mA: −140 dBc/Hz
  • Differential full-scale current outputs: 8 mA maximum at 3.3 V
  • Small footprint, 5 mm × 5 mm with 3.5 mm × 3.6 mm exposed paddle, 32-lead LFCSP
  • RoHS compliant package

Part details & applications

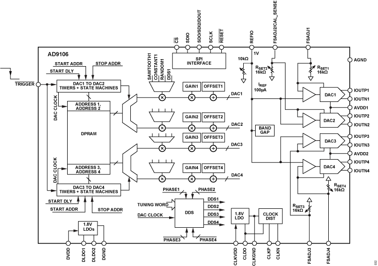
The AD9106 TxDAC® and waveform generator is a high performance, quad digital-to-analog converter (DAC) integrating on-chip pattern memory for complex waveform generation with a direct digital synthesizer (DDS). The DDS is a 12-bit output, up to 180 MHz master clock sinewave generator with a 24-bit tuning word allowing 10.8 Hz/LSB frequency resolution. The DDS has a single frequency output for all four DACs and independent programmable phase shift outputs for each of the four DACs.

SRAM data can include directly generated stored waveforms, amplitude modulation patterns applied to DDS outputs, or DDS frequency tuning words.

An internal pattern control state machine allows the user to program the pattern period for all four DACs as well as the start delay within the pattern period for the signal output on each DAC channel.

Registers accessed using the serial peripheral interface (SPI) configure the digital waveform generator and load patterns into the SRAM.

There are gain adjustment factors and offset adjustments applied to the digital signals on their way into the four DACs.

The AD9106 offers exceptional ac and dc performance and supports DAC sampling rates up to 180 MSPS. The flexible power supply operating range of 1.8 V to 3.3 V and low power dissipation of the AD9106 make it well suited for portable and low power applications.

Applications

  • Medical instrumentation
    • Ultrasound transducer excitation
  • Portable instrumentation
    • Signal generators, arbitrary waveform generators

Subscribe to Welllinkchips !
Your Name
* Email
Submit a request