0
ADBT1001
  • ADBT1001
  • ADBT1001
  • ADBT1001

ADBT1001

RECOMMENDED FOR NEW DESIGNS

4-Channel AFE, Digital Controller, and PWM for Battery Formation and Testing

Analog Devices ADBT1001 Product Info

10 February 2026 6

Features

  • Precise measurement of the voltage and current
  • 4 PWM control channels up to 16 bits (effective) resolution
    • Selectable synchronous and asynchronous rectifier operation
    • Programmable dead time compensation
    • Programmable switching frequency from 62.5 kHz to 500 kHz in powers of 2 steps
  • Multiphase operation
    • Interchip digital current sharing
    • Interchip frequency synchronization
  • Digital control loop
    • Programmable PID loop filters
    • Fast dc bus voltage feedforward
  • Integrated spectrum analysis per channel
    • Measure load impedance
  • SPI port control and status interface
    • Host interrupt on programmable status changes
  • CC, CV, CP, and CR operating modes
    • 15-bit setpoint resolution
    • Input and output inrush current protection
  • External NTC thermistor temperature sensing
    • Internal die temperature measurement
  • User calibration of input voltages and currents
  • 0°C to 85°C operation

Part details & applications

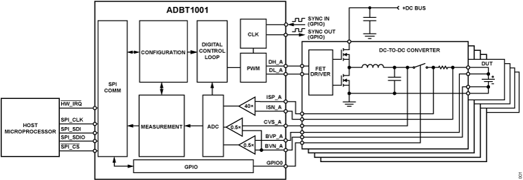
The ADBT1001 is a flexible, feature rich digital controller that targets high volume battery testing and formation manufacturing and precision battery test instrumentation applications. The ADBT1001 is optimized for minimal component count, maximum flexibility, and minimum design time. Features include differential remote voltage sense, current sense, pulse-width modulation (PWM) generation, frequency synchronization, overvoltage protection (OVP), and current sharing. Programmable protection features include overcurrent protection (OCP), OVP limiting, and external overtemperature protection (OTP).

Parameters can be programmed over the serial peripheral interface (SPI), providing extensive programming of the integrated loop filter, PWM signal timing, and soft start timing. The SPI provides access to the many monitoring and system test functions. Reliability is improved through a built-in checksum and programmable protection circuits.

A comprehensive graphical user interface (GUI) is provided for simple system and channel configuration and programming of the safety features. The ADBT1001 is available in a 100-lead LQFP_EP.

APPLICATIONS

  • Battery formation and testing
  • High efficiency battery test systems with recycle capability
  • Battery conditioning (charging and discharging) systems

Subscribe to Welllinkchips !
Your Name
* Email
Submit a request