0
AD5753
  • AD5753
  • AD5753

AD5753

RECOMMENDED FOR NEW DESIGNS

Single-Channel, 16-Bit Current and Voltage Output DAC with Dynamic Power Control and HART Connectivity

Analog Devices AD5753 Product Info

10 February 2026 5

Features

  • 16-bit resolution and monotonicity
  • Positive and negative DPC for thermal management
  • Current or voltage output available on a single terminal
  • Current output ranges: 0 mA to 20 mA, 4 mA to 20 mA, 0 mA to 24 mA, ±20 mA, ±24 mA, and −1 mA to +22 mA
  • Voltage output ranges (with 20% overrange): 0 V to 5 V, 0 V to 10 V, ±5 V, and ±10 V
  • User programmable offset and gain
  • Advanced on-chip diagnostics, including a 12-bit ADC
  • 2 external ADC input pins
  • On-chip reference
  • Robust architecture, including output fault protection
  • −40°C to +115°C temperature range
  • 40-lead, 6 mm × 6 mm LFCSP package

Part details & applications

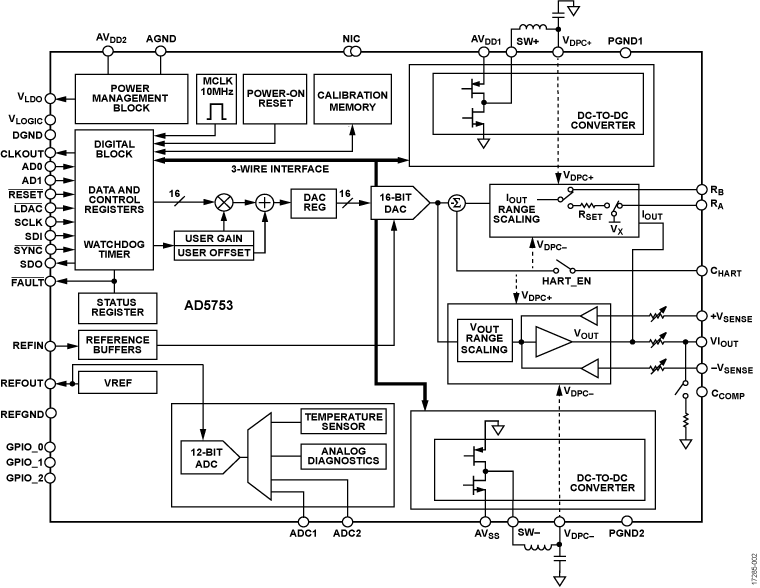
The AD5753 is a single-channel, voltage and current output digital-to-analog converter (DAC) that operates with a power supply range from a minimum of −33 V on AVSS to a maximum of +33 V on AVDD1 with a maximum operating voltage of 60 V between the two rails. On-chip dynamic power control (DPC) minimizes package power dissipation. This minimization is achieved by using buck dc-to-dc converters optimized for minimum on-chip power dissipation to regulate the voltage (VDPC+ and VDPC−) that is sent to the VIOUT output driver circuitry from the ±5 V to ±27 V supply voltage. The CHART pin enables a Highway Addressable Remote Transducer® (HART) signal to be coupled on the current output.

The AD5753 uses a versatile, 4-wire, serial peripheral interface (SPI) that operates at clock rates of up to 50 MHz and is compatible with standard SPI, QSPI, MICROWIRE, digital signal processor (DSP), and microcontroller interface standards. The interface features an optional SPI cyclic redundancy check (CRC) and a watchdog timer (WDT). The AD5753 offers improved diagnostic features from earlier versions of similar DACs, such as output current monitoring and an integrated, 12-bit diagnostic analog-to-digital converter (ADC). The inclusion of a line protector on the VIOUT, +VSENSE, and −VSENSE pins provides additional robustness.

PRODUCT HIGHLIGHTS

  1. Range of advanced diagnostic features, including integrated ADC with two external input pins.
  2. DPC, using integrated buck dc-to-dc converters for thermal management, which enables higher channel count in small size module housing.
  3. Programmable power control (PPC) mode to enable faster than DPC settling time (15 μs typical).
  4. Highly robust with output protection from miswire events

Subscribe to Welllinkchips !
Your Name
* Email
Submit a request