0
HMC582
  • HMC582

HMC582

RECOMMENDED FOR NEW DESIGNS

VCO with Fo/2 & Divide-by-4 SMT, 11.1-12.4 GHz

Analog Devices HMC582 Product Info

10 February 2026 5

Features

  • Triple Output:
        Fo= 11.1 - 12.4 GHz
        Fo/2= 5.55 - 6.2 GHz
        Fo/4= 2.78 - 3.1 GHz
  • Pout: +9 dBm
  • Phase Noise:
        -110 dBc/Hz @ 100 kHz Typical
  • No External Resonator Needed
  • QFN Leadless SMT Package, 25 mm2

Part details & applications

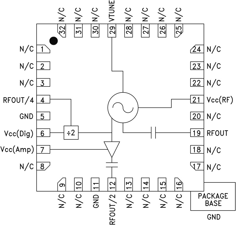
The HMC582LP5(E) is a GaAs InGaP Herterojunction Bipolar Transistor (HBT) MMIC VCOs. The HMC582LP5(E) integrates resonators, negative resistance devices, varactor diodes and feature half frequency and divide-by-4 outputs. The VCO's phase noise performance is excellent over temperature, shock and process due to the oscillator's monolithic structure.

Power output is +9 dBm typical from a +5V supply voltage. The prescaler and RF/2 functions can be disabled to conserve current if not required. The voltage controlled oscillator is packaged in a leadless QFN 5×5 mm surface mount package, and requires no external matching components.


APPLICATIONS

  • Point-to-Point Radios
  • Point-to-Multi-Point Radios
  • Test Equipment & Industrial Controls
  • SATCOM
  • Military End-Use

Subscribe to Welllinkchips !
Your Name
* Email
Submit a request