0
HMC737
  • HMC737

HMC737

LAST TIME BUY

MMIC VCO w/ Half Frequency Output, 14.9 - 15.5 GHz

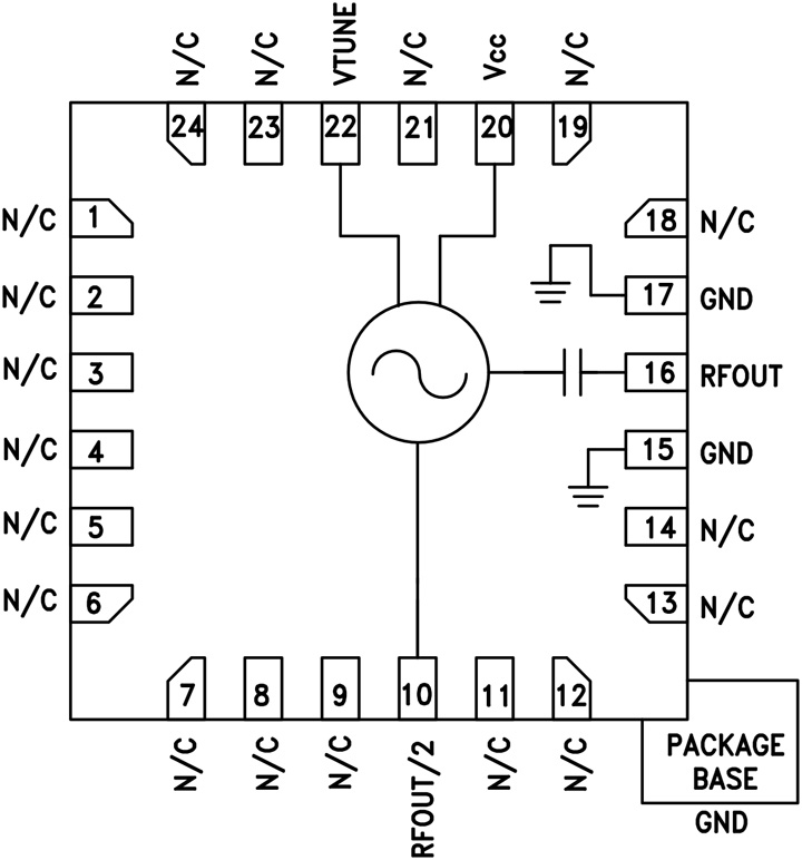
Analog Devices HMC737 Product Info

10 February 2026 5

Features

  • Dual Output: Fo = 14.9 - 15.5 GHz
    Fo/2 = 7.45 - 7.75 GHz
  • Phase Noise: -105 dBc/Hz @ 100 kHz
  • Pout: +9 dBm
  • No External Resonator Needed
  • 24 Lead 4x4 mm QFN Package: 16 mm2

Part details & applications

The HMC737 is a GaAs InGaP Heterojunction Bipolar Transistor (HBT) MMIC VCO. The HMC737 integrate a resonator, negative resistance device, varactor diode and feature half frequency output. The VCO's phase noise performance is excellent over temperature, shock, and process due to the oscillator's monolithic structure. Power output is +9 dBm typical from a +4.2V supply voltage. The voltage controlled oscillator is packaged in a leadless QFN 4x4 mm surface mount package, and requires no external matching components.

APPLICATIONS

  • Point-to-Multi-Point Radios
  • Test Equipment & Industrial Controls
  • SATCOM
  • Military End-Use

Subscribe to Welllinkchips !
Your Name
* Email
Submit a request