0
AD5383
  • AD5383
  • AD5383

AD5383

PRODUCTION

32-Channel 12-Bit 3 V/5 V Single-Supply Voltage-Output DAC

Analog Devices AD5383 Product Info

10 February 2026 8

Features

  • Guaranteed Monotonic
  • High Accuracy (INL = ±1 LSB)
  • On-chip 1.25 V/2.5 V, 10 ppm/°C reference
  • Temperature range: –40°C to +85°C
  • Rail-to-rail output amplifier
  • Power-down mode
  • Package type: 100-lead LQFP (14 mm × 14 mm)
  • User Interfaces
    - Parallel
    - Serial (SPI®-/QSPI-/MICROWIRE-/DSP-compatible, featuring data readback)
    - I2C-compatible
  • Robust 6.5 kV HBM and 2 kV FICDM ESD rating

Part details & applications

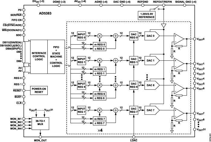
The AD5383 is a complete, single-supply, 32-channel, 12-bit denseDAC® available in a 100-lead LQFP package. All 32 channels have an on-chip output amplifier with rail-to-rail operation. The AD5383 includes a programmable internal 1.25 V/2.5 V, 10 ppm/°C reference; an on-chip channel monitor function that multiplexes the analog outputs to a common MON_OUT pin for external monitoring; and an output amplifier boost mode that allows optimization of the amplifier slew rate. The AD5383 features:

  • Double-buffered parallel interface with a 20 ns WR pulse width.
  • SPI-/QSPI-/MICROWIRE-/DSP-compatible serial interface with interface speeds in excess of 30 MHz
  • I2C-compatible interface that supports a 400 kHz data transfer rate.

An input register followed by a DAC register provides double buffering, allowing the DAC outputs to be updated independently or simultaneously using the LDAC input.

Each channel has a programmable gain and offset adjust register that allows the user to fully calibrate any DAC channel. With boost off, power consumption is typically 0.25 mA/channel.

APPLICATIONS

  • Variable optical attenuators (VOA)
  • Level setting (ATE)
  • Optical microelectro-mechanical systems (MEMS)
  • Control systems
  • Instrumentation

Subscribe to Welllinkchips !
Your Name
* Email
Submit a request