0
AD5144A
  • AD5144A
  • AD5144A

AD5144A

PRODUCTION

Quad Channel, 256-Position, I2C, Nonvolatile Digital Potentiometer

Analog Devices AD5144A Product Info

10 February 2026 6

Features

  • 10 kΩ and 100 kΩ resistance options
  • Resistor tolerance: 8% maximum
  • Wiper current: ±6 mA
  • Low temperature coefficient: 35 ppm/°C
  • Wide bandwidth: 3 MHz
  • Fast start-up time < 75 μs
  • Linear gain setting mode
  • Single- and dual-supply operation
  • Independent logic supply: 1.8 V to 5.5 V
  • Wide operating temperature: −40°C to +125°C
  • 4 mm × 4 mm package option

Part details & applications

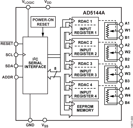
The AD5124 / AD5144 / AD5144A potentiometers provide a nonvolatile solution for 128-/256-position adjustment applications, offering guaranteed low resistor tolerance errors of ±8% and up to ±6 mA current density in the Ax, Bx, and Wx pins.

The low resistor tolerance and low nominal temperature coefficient simplify open-loop applications as well as applications requiring tolerance matching.

The linear gain setting mode allows independent programming of the resistance between the digital potentiometer terminals, through the RAW and RWB string resistors, allowing very accurate resistor matching.

The high bandwidth and low total harmonic distortion (THD) ensure optimal performance for ac signals, making these devices suitable for filter design.

The low wiper resistance of only 40 Ω at the ends of the resistor array allow for pin-to-pin connection.

The wiper values can be set through an SPI-/I2C-compatible digital interface that is also used to read back the wiper register and EEPROM contents.

The AD5124 / AD5144 / AD5144A are available in a compact, 24-lead, 4 mm × 4 mm LFCSP and a 20-lead TSSOP. The parts are guaranteed to operate over the extended industrial temperature range of −40°C to +125°C.

Applications

  • Portable electronics level adjustment
  • LCD panel brightness and contrast controls
  • Programmable filters, delays, and time constants
  • Programmable power supplies

Subscribe to Welllinkchips !
Your Name
* Email
Submit a request