0
UCD90160A
  • UCD90160A
  • UCD90160A

UCD90160A

ACTIVE

16-Rail PMBus Power Supply Sequencer and System Manager with ACPI Support

Texas Instruments UCD90160A Product Info

1 April 2026 0

Parameters

Number of supplies monitored

16

Number of sequenced outputs

16

Rating

Catalog

Supply voltage (max) (V)

3.6

Supply voltage (min) (V)

3

Iq (typ) (mA)

50

Operating temperature range (°C)

-40 to 125

Package

VQFN (RGC)-64-81 mm² 9 x 9

Features

  • Monitor and sequence 16 voltage rails
    • All rails sampled every 400 µs
    • 12-Bit ADC with 2.5-V, 0.5% internal VREF
    • Sequence based on time, rail and pin dependencies
    • Four programmable undervoltage and overvoltage thresholds per monitor
  • Nonvolatile error and peak-value logging per monitor (up to 12 fault detail entries)
  • Closed-loop margining for 10 rails
    • Margin output adjusts rail voltage to match user-defined margin thresholds
  • Programmable watchdog timer and system reset
  • Easily cascade multiple power sequencers and take coordinated fault responses
  • Pin selected rail states for ACPI support
  • Flexible digital I/O configuration
  • Cascading multiple devices
  • Response and monitor to GPI-triggered fault
  • Multi-phase PWM clock generator
    • Clock frequencies from 15.259 kHz to 125 MHz
    • Capability to configure independent clock outputs for synchronizing switch-mode power supplies
  • JTAG and I2C/SMBus/PMBus™ interfaces
  • Monitor and sequence 16 voltage rails
    • All rails sampled every 400 µs
    • 12-Bit ADC with 2.5-V, 0.5% internal VREF
    • Sequence based on time, rail and pin dependencies
    • Four programmable undervoltage and overvoltage thresholds per monitor
  • Nonvolatile error and peak-value logging per monitor (up to 12 fault detail entries)
  • Closed-loop margining for 10 rails
    • Margin output adjusts rail voltage to match user-defined margin thresholds
  • Programmable watchdog timer and system reset
  • Easily cascade multiple power sequencers and take coordinated fault responses
  • Pin selected rail states for ACPI support
  • Flexible digital I/O configuration
  • Cascading multiple devices
  • Response and monitor to GPI-triggered fault
  • Multi-phase PWM clock generator
    • Clock frequencies from 15.259 kHz to 125 MHz
    • Capability to configure independent clock outputs for synchronizing switch-mode power supplies
  • JTAG and I2C/SMBus/PMBus™ interfaces

Description

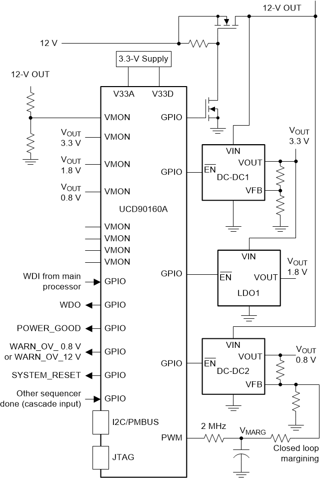
The UCD90160A is a 16-rail PMBus/I2C addressable power supply sequencer  and monitor.  The device integrates a 12-bit ADC for monitoring up to 16 power supply voltage inputs. Twenty-six GPIO pins can be used for power supply enables, power-on reset signals, external interrupts, cascading, or other system functions. Twelve of these pins offer PWM functionality. Using these pins, the UCD90160A offers support for margining, and general-purpose PWM functions.

Specific power states can be achieved using the Pin-Selected Rail States feature. This feature allows with the use of up to 3 GPIs to enable and disable any rail. This is useful for implementing system low-power modes and the Advanced Configuration and Power Interface (ACPI) specification that is used for hardware devices.

The Fault Pin feature enables easily cascading multiple devices and coordinates among those devices to take synchronized fault responses.

The TI Fusion Digital Power™ designer software is provided for device configuration. This PC-based graphical user interface (GUI) offers an intuitive interface for configuring, storing, and monitoring all system operating parameters.

The UCD90160A is a 16-rail PMBus/I2C addressable power supply sequencer  and monitor.  The device integrates a 12-bit ADC for monitoring up to 16 power supply voltage inputs. Twenty-six GPIO pins can be used for power supply enables, power-on reset signals, external interrupts, cascading, or other system functions. Twelve of these pins offer PWM functionality. Using these pins, the UCD90160A offers support for margining, and general-purpose PWM functions.

Specific power states can be achieved using the Pin-Selected Rail States feature. This feature allows with the use of up to 3 GPIs to enable and disable any rail. This is useful for implementing system low-power modes and the Advanced Configuration and Power Interface (ACPI) specification that is used for hardware devices.

The Fault Pin feature enables easily cascading multiple devices and coordinates among those devices to take synchronized fault responses.

The TI Fusion Digital Power™ designer software is provided for device configuration. This PC-based graphical user interface (GUI) offers an intuitive interface for configuring, storing, and monitoring all system operating parameters.

Subscribe to Welllinkchips !
Your Name
* Email
Submit a request