0
TSS521
  • TSS521
  • TSS521

TSS521

ACTIVE

Single-chip Meter-bus Transceiver

Texas Instruments TSS521 Product Info

1 April 2026 1

Parameters

Rating

Catalog

Operating temperature range (°C)

-25 to 85

Package

SOIC (D)-16-59.4 mm² 9.9 x 6

Features

  • Meter-Bus Transceiver (for Slave) Meets Standard EN1434-3
  • Receiver Logic With Dynamic Level Recognition
  • Constant-Current Sink Adjustable By Resistor
  • Polarity Independent
  • Power-Fail Function
  • Module Supply Voltage Switch
  • 3.3-V Constant Voltage Source
  • Up to 9600 Baud in Half Duplex for UART Protocol
  • Slave Power Support
    • Supply From Meter-Bus by Output VDD
    • Supply From Meter-Bus by Output VDD or From Backup Battery
    • Supply From Battery – Meter-Bus Active for Data Transmission Only
  • Meter-Bus Transceiver (for Slave) Meets Standard EN1434-3
  • Receiver Logic With Dynamic Level Recognition
  • Constant-Current Sink Adjustable By Resistor
  • Polarity Independent
  • Power-Fail Function
  • Module Supply Voltage Switch
  • 3.3-V Constant Voltage Source
  • Up to 9600 Baud in Half Duplex for UART Protocol
  • Slave Power Support
    • Supply From Meter-Bus by Output VDD
    • Supply From Meter-Bus by Output VDD or From Backup Battery
    • Supply From Battery – Meter-Bus Active for Data Transmission Only

Description

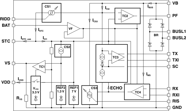
The TSS521 is a single-chip transceiver developed for Meter-Bus standard (EN1434-3) applications.

The TSS521 interface circuit adjusts the different potentials between a slave system and the Meter-Bus master. The connection to the bus is polarity independent and supports full galvanic slave isolation with optocouplers.

The circuit is supplied by the master through the bus. Therefore, this circuit offers no additional load for the slave battery. A power-fail function is integrated.

The receiver has dynamic level recognition, and the transmitter has a programmable current sink.

A 3.3-V voltage regulator with power reserve for a delayed switch off at bus fault is integrated.

The TSS521 is a single-chip transceiver developed for Meter-Bus standard (EN1434-3) applications.

The TSS521 interface circuit adjusts the different potentials between a slave system and the Meter-Bus master. The connection to the bus is polarity independent and supports full galvanic slave isolation with optocouplers.

The circuit is supplied by the master through the bus. Therefore, this circuit offers no additional load for the slave battery. A power-fail function is integrated.

The receiver has dynamic level recognition, and the transmitter has a programmable current sink.

A 3.3-V voltage regulator with power reserve for a delayed switch off at bus fault is integrated.

Subscribe to Welllinkchips !
Your Name
* Email
Submit a request