0
TPS92520-Q1
  • TPS92520-Q1
  • TPS92520-Q1
  • TPS92520-Q1

TPS92520-Q1

ACTIVE

1.6-A dual synchronous buck LED driver with SPI

Texas Instruments TPS92520-Q1 Product Info

1 April 2026 0

Parameters

Number of channels

2

Topology

Buck

Rating

Automotive

TI functional safety category

Functional Safety-Capable

Operating temperature range (°C)

-40 to 125

Vin (min) (V)

4.5

Vin (max) (V)

65

Vout (min) (V)

0

Vout (max) (V)

61

Iout (max) (A)

1.6

Iq (typ) (mA)

5

Switching frequency (max) (kHz)

2200

Features

Fault Detection, LED Open Detection, Precision Dimming Control, Thermal Error Flag, Thermal shutdown

Package

HTSSOP (DAD)-32-89.1 mm² 11 x 8.1

Features

  • AEC-Q100 qualified for automotive applications
    • Grade 1: –40°C to 125°C ambient operating temperature
    • Device HBM classification level H1C
    • Device CDM classification level C5
  • Functional Safety-Capable
  • 4.5-V to 65-V wide input voltage range
  • Up to 1.6-A continuous output current with 4% accuracy
  • Adaptive on-time average current control
  • Programmable switching frequency from 100-kHz to 2.2-MHz
  • Advanced dimming operation
    • 10-bit precision analog dimming
    • 10-bit precision internal PWM dimming
    • Supports external PWM dimming input
    • Optimized for external shunt dimming including LED Matrix Manager
  • Cycle-by-cycle switch overcurrent protection
  • Switch thermal protection
  • Serial peripheral interface (SPI)
    • Configurable analog reference, switching frequency, and PWM dimming duty cycle
    • Fault monitoring and reporting
  • Limp-home (LH) and stand-alone mode operation
  • AEC-Q100 qualified for automotive applications
    • Grade 1: –40°C to 125°C ambient operating temperature
    • Device HBM classification level H1C
    • Device CDM classification level C5
  • Functional Safety-Capable
  • 4.5-V to 65-V wide input voltage range
  • Up to 1.6-A continuous output current with 4% accuracy
  • Adaptive on-time average current control
  • Programmable switching frequency from 100-kHz to 2.2-MHz
  • Advanced dimming operation
    • 10-bit precision analog dimming
    • 10-bit precision internal PWM dimming
    • Supports external PWM dimming input
    • Optimized for external shunt dimming including LED Matrix Manager
  • Cycle-by-cycle switch overcurrent protection
  • Switch thermal protection
  • Serial peripheral interface (SPI)
    • Configurable analog reference, switching frequency, and PWM dimming duty cycle
    • Fault monitoring and reporting
  • Limp-home (LH) and stand-alone mode operation

Description

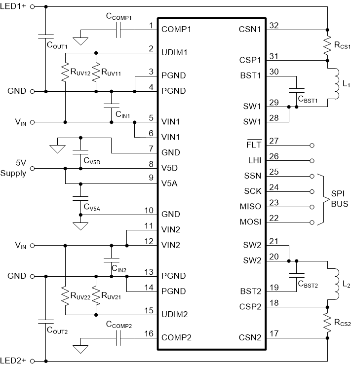
The TPS92520-Q1 is a monolithic dual synchronous buck LED driver with a wide 4.5-V to 65-V operating input voltage range that can independently power two strings of series connected LEDs. The TPS92520-Q1 implements an adaptive on-time average current mode control and is designed to be compatible with shunt FET dimming techniques and LED matrix manager-based dynamic beam headlamps. The adaptive on-time control provides near constant switching frequency that can be set between 100-kHz and 2.2-MHz. Inductor current sensing and closed-loop feedback enables better than ±4% accuracy over wide input voltage, output voltage and ambient temperature range.

The high performance LED driver can independently modulate LED current using both analog or PWM dimming techniques. Linear analog dimming response with over 16:1 range is obtained by programming the 10-bit IADJ value via SPI. PWM dimming of LED current is achieved by directly modulating the corresponding UDIM input pin with the desired duty cycle or by enabling the internal PWM generator circuit. The PWM generator translates the 10-bit PWM register value to a corresponding duty cycle by comparing it to a programmable digital counter.

The TPS92520-Q1 incorporates advanced SPI programmable diagnostic and fault protection featuring: cycle-by-cycle switch current limit, bootstrap undervoltage, LED open, LED short, thermal warning and thermal shutdown. An on-board 10-bit ADC samples critical input parameters required for system health monitoring and diagnostics.

The TPS92520-Q1 is available in a 8.1-mm x 11-mm thermally-enhanced 32-pin HTSSOP package with a 2.75-mm x 3.45-mm top-exposed and bottom-exposed pad.

The TPS92520-Q1 is a monolithic dual synchronous buck LED driver with a wide 4.5-V to 65-V operating input voltage range that can independently power two strings of series connected LEDs. The TPS92520-Q1 implements an adaptive on-time average current mode control and is designed to be compatible with shunt FET dimming techniques and LED matrix manager-based dynamic beam headlamps. The adaptive on-time control provides near constant switching frequency that can be set between 100-kHz and 2.2-MHz. Inductor current sensing and closed-loop feedback enables better than ±4% accuracy over wide input voltage, output voltage and ambient temperature range.

The high performance LED driver can independently modulate LED current using both analog or PWM dimming techniques. Linear analog dimming response with over 16:1 range is obtained by programming the 10-bit IADJ value via SPI. PWM dimming of LED current is achieved by directly modulating the corresponding UDIM input pin with the desired duty cycle or by enabling the internal PWM generator circuit. The PWM generator translates the 10-bit PWM register value to a corresponding duty cycle by comparing it to a programmable digital counter.

The TPS92520-Q1 incorporates advanced SPI programmable diagnostic and fault protection featuring: cycle-by-cycle switch current limit, bootstrap undervoltage, LED open, LED short, thermal warning and thermal shutdown. An on-board 10-bit ADC samples critical input parameters required for system health monitoring and diagnostics.

The TPS92520-Q1 is available in a 8.1-mm x 11-mm thermally-enhanced 32-pin HTSSOP package with a 2.75-mm x 3.45-mm top-exposed and bottom-exposed pad.

Subscribe to Welllinkchips !
Your Name
* Email
Submit a request