0
TPSM846C23
  • TPSM846C23
  • TPSM846C23

TPSM846C23

ACTIVE

4.5V to 15V Input, 0.35V to 2.0V Output, 35A PMBus Power Module

Texas Instruments TPSM846C23 Product Info

1 April 2026 1

Parameters

Rating

Catalog

Topology

Buck, Synchronous Buck

Iout (max) (A)

35

Vin (max) (V)

15

Vin (min) (V)

4.5

Vout (max) (V)

2

Vout (min) (V)

0.35

Features

Current Sharing, EMI Tested, Enable, Frequency synchronization, PMBus, Phase Interleaving, Power good, Remote Sense, Tracking

Operating temperature range (°C)

-40 to 105

Type

Module

Duty cycle (max) (%)

83

Control mode

Voltage mode

Switching frequency (min) (kHz)

300

Switching frequency (max) (kHz)

1000

Package

QFM (MOL)-59-240 mm² 16 x 15

Features

  • Complete Integrated PMBus™ Power Solution
  • Pin Compatible With TPSM846C24 (non-PMBus)
  • Stackable up to 70 A With Current Sharing
  • Output Voltage Range 0.35 V to 2 V
  • Output Voltage Accuracy as Tight as 0.5%
  • 15 mm × 16 mm Footprint (6.4 Max Height)
  • 300-kHz to 1-MHz Switching Frequency
  • Synchronization to an External Clock
  • Differential Remote Sense
  • Power-Good Output
  • Prebias Output Monotonic Start-Up
  • PMBus Telemetry: Current, Voltage, Temperature
  • Programmable Protection and Fault Response
  • Programmable UVLO, Soft Start/Stop, Delays
  • Operating IC Junction Range: –40°C to +125°C
  • Operating Ambient Range: –40°C to +105°C
  • Enhanced Thermal Performance: 8.7°C/W
  • Meets EN55022 Class A Emissions
  • Create a Custom Design Using the TPSM846C23 With the WEBENCH® Power Designer
  • Complete Integrated PMBus™ Power Solution
  • Pin Compatible With TPSM846C24 (non-PMBus)
  • Stackable up to 70 A With Current Sharing
  • Output Voltage Range 0.35 V to 2 V
  • Output Voltage Accuracy as Tight as 0.5%
  • 15 mm × 16 mm Footprint (6.4 Max Height)
  • 300-kHz to 1-MHz Switching Frequency
  • Synchronization to an External Clock
  • Differential Remote Sense
  • Power-Good Output
  • Prebias Output Monotonic Start-Up
  • PMBus Telemetry: Current, Voltage, Temperature
  • Programmable Protection and Fault Response
  • Programmable UVLO, Soft Start/Stop, Delays
  • Operating IC Junction Range: –40°C to +125°C
  • Operating Ambient Range: –40°C to +105°C
  • Enhanced Thermal Performance: 8.7°C/W
  • Meets EN55022 Class A Emissions
  • Create a Custom Design Using the TPSM846C23 With the WEBENCH® Power Designer

Description

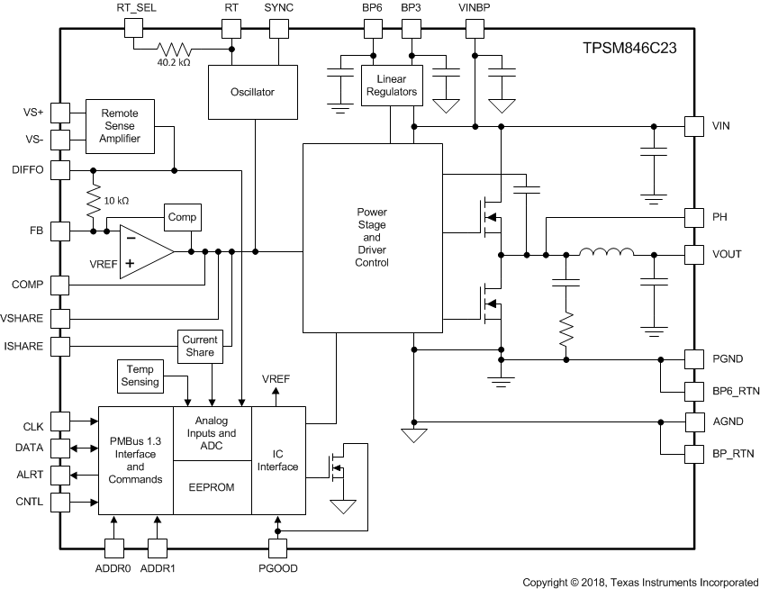
The TPSM846C23 is a 35-A fixed-frequency, PMBus-compliant, step-down power module, with PMBus commands that allow for the configuration, control, and monitoring of key power regulator functions. The module incorporates the controller, power MOSFETs, inductor, and associated components into a rugged, thermally enhanced, surface-mount package. The user supplies the input and output capacitors along with a few other passive components to set the operating parameters of the module. Two modules can be configured to work in parallel to provide up to a 70-A, two-phase power solution.

The PMBus interface provides for converter configuration of output voltage, UVLO, soft start, soft stop, overcurrent, and thermal shutdown parameters. The interface also provides support for telemetry that can report the actual output voltage, output current, and device temperature. Standard PMBus warning and fault functions are also supported. The device supports PMBus communication speeds up to 400 kHz and supports a subset of the commands in the PMBus 1.3 specification.

The 15-mm × 16-mm component footprint is easy to solder onto a printed circuit board and allows a compact, point-of-load design.

The TPSM846C23 is a 35-A fixed-frequency, PMBus-compliant, step-down power module, with PMBus commands that allow for the configuration, control, and monitoring of key power regulator functions. The module incorporates the controller, power MOSFETs, inductor, and associated components into a rugged, thermally enhanced, surface-mount package. The user supplies the input and output capacitors along with a few other passive components to set the operating parameters of the module. Two modules can be configured to work in parallel to provide up to a 70-A, two-phase power solution.

The PMBus interface provides for converter configuration of output voltage, UVLO, soft start, soft stop, overcurrent, and thermal shutdown parameters. The interface also provides support for telemetry that can report the actual output voltage, output current, and device temperature. Standard PMBus warning and fault functions are also supported. The device supports PMBus communication speeds up to 400 kHz and supports a subset of the commands in the PMBus 1.3 specification.

The 15-mm × 16-mm component footprint is easy to solder onto a printed circuit board and allows a compact, point-of-load design.

Subscribe to Welllinkchips !
Your Name
* Email
Submit a request