0
LM5146
  • LM5146
  • LM5146
  • LM5146

LM5146

ACTIVE

100-V synchronous buck DC/DC controller with wide duty-cycle range

Texas Instruments LM5146 Product Info

1 April 2026 0

Parameters

Rating

Catalog

Topology

Buck

Iout (max) (A)

20

Vin (max) (V)

100

Vin (min) (V)

5.5

Vout (max) (V)

60

Vout (min) (V)

0.8

Control mode

Voltage mode

Features

Adjustable current limit, Adjustable soft start, Adjustable switching frequency, Enable, Enable/Shutdown, Frequency synchronization, Load Disconnect, Output discharge, Power good, Pre-Bias Start-Up, Synchronous Rectification, UVLO adjustable, Voltage control mode, adjustable UVLO

Duty cycle (max) (%)

99

Iq (typ) (A)

0.00175

Number of phases

1

TI functional safety category

Functional Safety-Capable

Operating temperature range (°C)

-40 to 150

Package

VQFN (RGY)-20-15.75 mm² 4.5 x 3.5

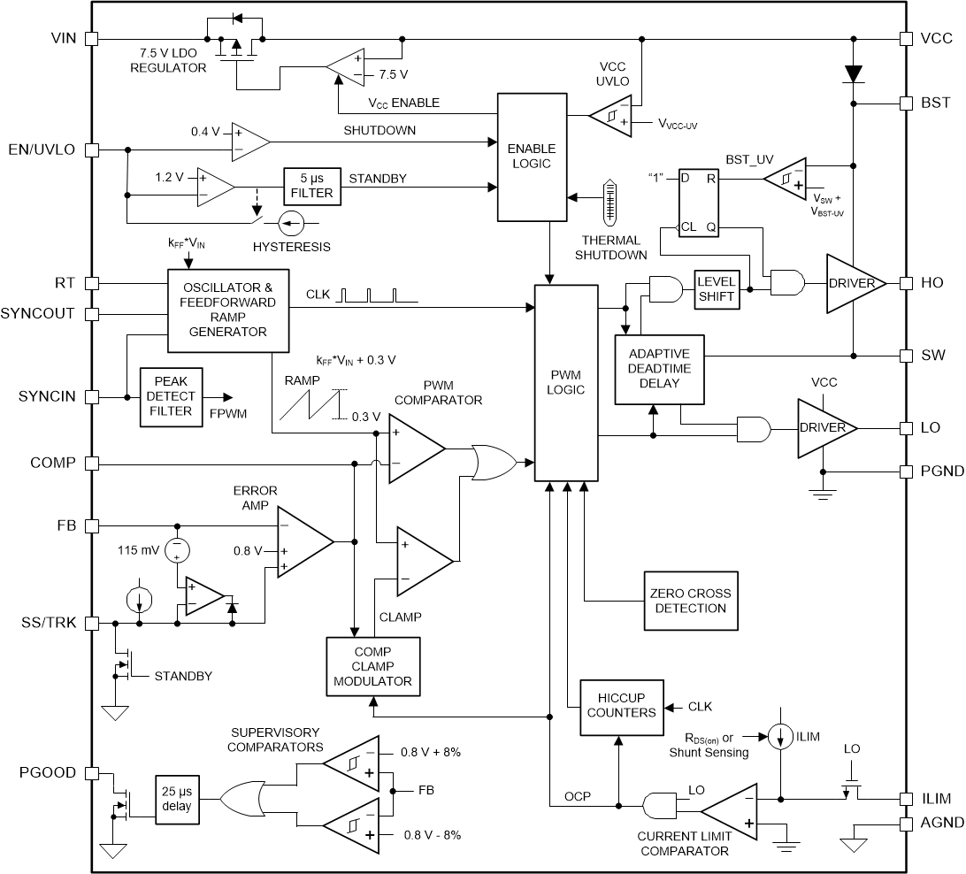
Features

  • Functional Safety-Capable
  • Versatile synchronous buck DC/DC controller
    • Wide input voltage range of 5.5 V to 100 V
    • 150°C maximum junction temperature
    • 0.8-V reference with ±1% feedback accuracy
    • Adjustable output voltage from 0.8 V to 60 V
    • 40-ns tON(min) for high VIN / VOUT ratio
    • 140-ns tOFF(min) for low dropout
    • Lossless RDS(on) or shunt current sensing
    • Optimized for CISPR 11 and CISPR 32 Class B EMI requirements
  • Switching frequency from 100 kHz to 1 MHz
    • SYNC in and SYNC out capability
    • Selectable diode emulation or FPWM
  • 7.5-V gate drivers for standard VTH MOSFETs
    • 14-ns adaptive dead-time control
    • 2.3-A source and 3.5-A sink capability
  • Fast line and load transient response
    • Voltage-mode control with line feedforward
    • High gain-bandwidth error amplifier
  • Inherent protection features for robust design
    • Adjustable output voltage soft start
    • Hiccup-mode overcurrent protection
    • Input UVLO with hysteresis
    • VCC and gate-drive UVLO protection
    • Precision enable input and open-drain PGOOD indicator for sequencing and control
    • Thermal shutdown protection with hysteresis
  • 20-pin VQFN package with wettable flanks
  • Create a custom design using the LM5146 with WEBENCH Power Designer
  • Functional Safety-Capable
  • Versatile synchronous buck DC/DC controller
    • Wide input voltage range of 5.5 V to 100 V
    • 150°C maximum junction temperature
    • 0.8-V reference with ±1% feedback accuracy
    • Adjustable output voltage from 0.8 V to 60 V
    • 40-ns tON(min) for high VIN / VOUT ratio
    • 140-ns tOFF(min) for low dropout
    • Lossless RDS(on) or shunt current sensing
    • Optimized for CISPR 11 and CISPR 32 Class B EMI requirements
  • Switching frequency from 100 kHz to 1 MHz
    • SYNC in and SYNC out capability
    • Selectable diode emulation or FPWM
  • 7.5-V gate drivers for standard VTH MOSFETs
    • 14-ns adaptive dead-time control
    • 2.3-A source and 3.5-A sink capability
  • Fast line and load transient response
    • Voltage-mode control with line feedforward
    • High gain-bandwidth error amplifier
  • Inherent protection features for robust design
    • Adjustable output voltage soft start
    • Hiccup-mode overcurrent protection
    • Input UVLO with hysteresis
    • VCC and gate-drive UVLO protection
    • Precision enable input and open-drain PGOOD indicator for sequencing and control
    • Thermal shutdown protection with hysteresis
  • 20-pin VQFN package with wettable flanks
  • Create a custom design using the LM5146 with WEBENCH Power Designer

Description

The LM5146 100-V synchronous buck controller regulates from a high input voltage source or from an input rail subject to high-voltage transients, minimizing the need for external surge suppression components. A high-side switch minimum on-time of 40 ns gives large step-down ratios, enabling the direct step-down conversion from a 48-V nominal input to low-voltage rails for reduced system complexity and solution cost. The LM5146 continues to operate during input voltage dips as low as 5.5 V, at nearly 100% duty cycle if needed, making it an excellent choice for high-performance industrial controls, robotics, datacom, and RF applications.

Forced-PWM (FPWM) operation eliminates switching frequency variation to minimize EMI, while user-selectable diode emulation lowers current consumption at light-load conditions. The adjustable switching frequency as high as 1 MHz can be synchronized to an external clock source to eliminate beat frequencies in noise-sensitive applications.

The LM5146 100-V synchronous buck controller regulates from a high input voltage source or from an input rail subject to high-voltage transients, minimizing the need for external surge suppression components. A high-side switch minimum on-time of 40 ns gives large step-down ratios, enabling the direct step-down conversion from a 48-V nominal input to low-voltage rails for reduced system complexity and solution cost. The LM5146 continues to operate during input voltage dips as low as 5.5 V, at nearly 100% duty cycle if needed, making it an excellent choice for high-performance industrial controls, robotics, datacom, and RF applications.

Forced-PWM (FPWM) operation eliminates switching frequency variation to minimize EMI, while user-selectable diode emulation lowers current consumption at light-load conditions. The adjustable switching frequency as high as 1 MHz can be synchronized to an external clock source to eliminate beat frequencies in noise-sensitive applications.

Subscribe to Welllinkchips !
Your Name
* Email
Submit a request