0
TPS92633-Q1
  • TPS92633-Q1
  • TPS92633-Q1
  • TPS92633-Q1
  • TPS92633-Q1
  • TPS92633-Q1
  • TPS92633-Q1

TPS92633-Q1

ACTIVE

Automotive three-channel high-side LED driver with thermal sharing and off-board binning

Texas Instruments TPS92633-Q1 Product Info

1 April 2026 0

Parameters

Number of channels

3

Topology

Current Source

Rating

Automotive

Operating temperature range (°C)

-40 to 125

Vin (min) (V)

4.5

Vin (max) (V)

40

Vout (min) (V)

0

Vout (max) (V)

40

Iout (max) (A)

0.15

Iq (typ) (mA)

1.5

Features

Enable/Shutdown, Fault Detection, Fault Diagnostic, LED Open Detection, LED Short to Ground Detection, LED Shorted Detection, PWM Dimming, Thermal Sharing, Thermal shutdown

Package

HTSSOP (PWP)-20-41.6 mm² 6.5 x 6.4

Features

  • AEC-Q100 qualified for automotive applications:
    • Temperature grade 1: –40°C to 125°C, TA
  • Wide input voltage range: 4.5 V to 40 V
  • Thermal sharing by external shunt resistor
  • Low supply current in fault mode
  • Three high-precision current regulation:
    • Up to 150-mA current output for each channel
    • ±5% accuracy over full temperature range
    • Independent current setting by resistor
    • Independent PWM pin for brightness control
    • Support off-board brightness binning resistor
    • Support external NTC for current derating
  • Low dropout voltage:
    • Maximum dropout: 600 mV at 150 mA
  • Diagnostics and protection
    • LED open-circuit with auto-recovery
    • LED short-to-GND with auto-recovery
    • Single LED short-circuit detection with auto-recovery
    • Diagnostic enable with adjustable threshold
    • Fault bus configurable as either one-fails–all-fail or only-failed-channel off (N-1)
    • Thermal shutdown
  • Operation junction temperature range: –40°C to 150°C
  • AEC-Q100 qualified for automotive applications:
    • Temperature grade 1: –40°C to 125°C, TA
  • Wide input voltage range: 4.5 V to 40 V
  • Thermal sharing by external shunt resistor
  • Low supply current in fault mode
  • Three high-precision current regulation:
    • Up to 150-mA current output for each channel
    • ±5% accuracy over full temperature range
    • Independent current setting by resistor
    • Independent PWM pin for brightness control
    • Support off-board brightness binning resistor
    • Support external NTC for current derating
  • Low dropout voltage:
    • Maximum dropout: 600 mV at 150 mA
  • Diagnostics and protection
    • LED open-circuit with auto-recovery
    • LED short-to-GND with auto-recovery
    • Single LED short-circuit detection with auto-recovery
    • Diagnostic enable with adjustable threshold
    • Fault bus configurable as either one-fails–all-fail or only-failed-channel off (N-1)
    • Thermal shutdown
  • Operation junction temperature range: –40°C to 150°C

Description

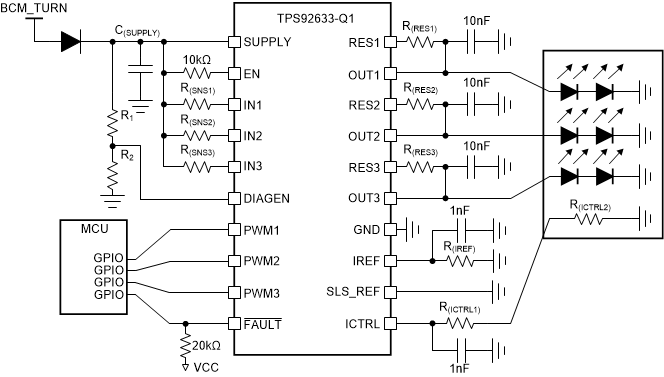
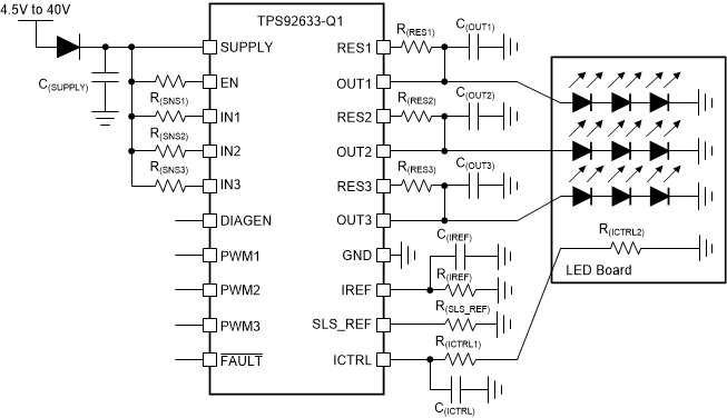
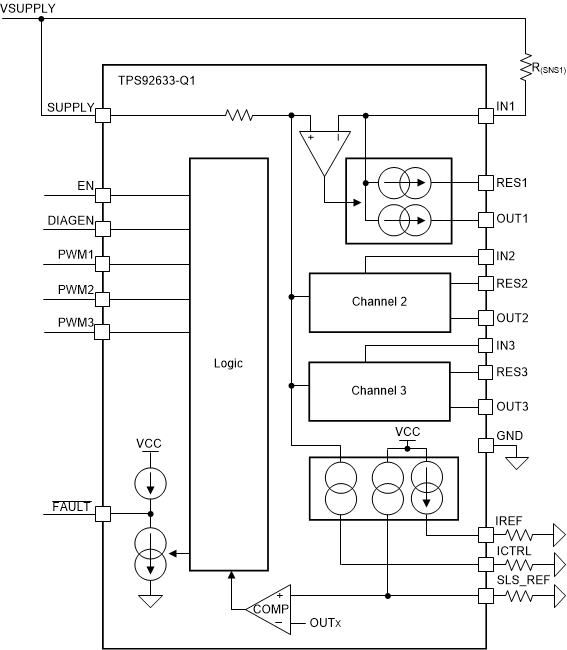
The TPS92633-Q1 three-channel LED driver includes an unique thermal management design to reduce temperature rising on the device. The TPS92633-Q1 is a linear driver directly powered by automotive batteries with large voltage variations to output full current loads up to 150 mA per channel. External shunt resistors are leveraged to share output current and dissipate power out of the driver. The TPS92633-Q1 also drives LED units and off-board brightness binning resistors to simplify the manufacturing process and lower whole system cost. Its full-diagnostic capabilities include LED open, LED short-to-GND circuit and single LED short circuit detection.

The one-fails-all-fail feature of TPS92633-Q1 is able to work together with other LED drivers, such as the TPS9261x-Q1, TPS92630/8-Q1, and TPS92830-Q1 devices, to address different requirements.

The TPS92633-Q1 three-channel LED driver includes an unique thermal management design to reduce temperature rising on the device. The TPS92633-Q1 is a linear driver directly powered by automotive batteries with large voltage variations to output full current loads up to 150 mA per channel. External shunt resistors are leveraged to share output current and dissipate power out of the driver. The TPS92633-Q1 also drives LED units and off-board brightness binning resistors to simplify the manufacturing process and lower whole system cost. Its full-diagnostic capabilities include LED open, LED short-to-GND circuit and single LED short circuit detection.

The one-fails-all-fail feature of TPS92633-Q1 is able to work together with other LED drivers, such as the TPS9261x-Q1, TPS92630/8-Q1, and TPS92830-Q1 devices, to address different requirements.

Subscribe to Welllinkchips !
Your Name
* Email
Submit a request