0
TPS65186
  • TPS65186
  • TPS65186

TPS65186

ACTIVE

PMIC for E-Ink® Vizplex™ Enabled Electronic Paper Display

Texas Instruments TPS65186 Product Info

1 April 2026 0

Parameters

Processor supplier

E Ink

Processor name

Vizplex

Regulated outputs (#)

4

Step-down DC/DC converter

20

Step-up DC/DC converter

2

LDO

2

Vin (min) (V)

3

Vin (max) (V)

6

Iout (max) (A)

0

Configurability

Software configurable

Features

Enable pin

Rating

Catalog

Operating temperature range (°C)

-10 to 85

Step-down DC/DC controller

0

Step-up DC/DC controller

0

Iq (typ) (mA)

5.5

Switching frequency (max) (kHz)

560

Shutdown current (ISD) (typ) (µA)

3.5

Switching frequency (typ) (kHz)

560

Package

VQFN (RGZ)-48-49 mm² 7 x 7

Features

  • Single Chip Power-Management Solution for
    E Ink Vizplex Electronic Paper Displays
  • Generates Positive and Negative Gates, Source
    Driver Voltages, and Back-Plane Bias From a
    Single, Low-Voltage Input Supply
  • Supports 9.7 Inch and Larger Panel Size
  • 3-V to 6-V Input Voltage Range
  • Boost Converter for Positive Rail Base
  • Inverting Buck-Boost Converter for Negative Rail
    Base
  • Two Adjustable LDOs for Source Driver Supply
    • LDO1: 15 V, 120 mA (VPOS)
    • LDO2: –15 V, 120 mA (VNEG)
  • Accurate Output Voltage Tracking
    • VPOS – VNEG = ±50 mV
  • Two Charge Pumps for Gate Driver Supply
    • CP1: 22 V, 10 mA (VDDH)
    • CP2: –20 V, 12 mA, (VEE)
  • Adjustable VCOM Driver for Accurate Panel-
    Backplane Biasing
    • 0 V to –5.11 V
    • ± 1.5% accuracy (±10 mV)
    • 9-Bit Control (10-mV Nominal Step Size)
  • Integrated 10-Ω, 3.3-V Power Switch for Disabling
    System Power Rail to E-Ink Panel
  • Single Chip Power-Management Solution for
    E Ink Vizplex Electronic Paper Displays
  • Generates Positive and Negative Gates, Source
    Driver Voltages, and Back-Plane Bias From a
    Single, Low-Voltage Input Supply
  • Supports 9.7 Inch and Larger Panel Size
  • 3-V to 6-V Input Voltage Range
  • Boost Converter for Positive Rail Base
  • Inverting Buck-Boost Converter for Negative Rail
    Base
  • Two Adjustable LDOs for Source Driver Supply
    • LDO1: 15 V, 120 mA (VPOS)
    • LDO2: –15 V, 120 mA (VNEG)
  • Accurate Output Voltage Tracking
    • VPOS – VNEG = ±50 mV
  • Two Charge Pumps for Gate Driver Supply
    • CP1: 22 V, 10 mA (VDDH)
    • CP2: –20 V, 12 mA, (VEE)
  • Adjustable VCOM Driver for Accurate Panel-
    Backplane Biasing
    • 0 V to –5.11 V
    • ± 1.5% accuracy (±10 mV)
    • 9-Bit Control (10-mV Nominal Step Size)
  • Integrated 10-Ω, 3.3-V Power Switch for Disabling
    System Power Rail to E-Ink Panel

Description

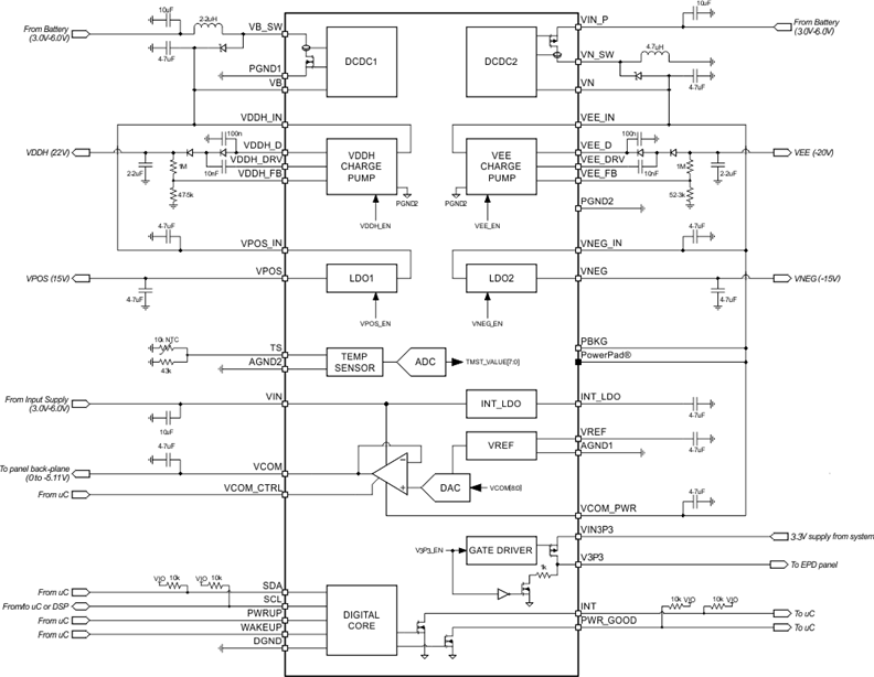
The TPS65186 device is a single-chip power supply designed to for E Ink Vizplex displays used in portable e-reader applications, and the device supports panel sizes up to 9.7 inches and greater. Two high-efficiency DC-DC boost converters generate ±16-V rails that are boosted to 22 V and –20 V by two change pumps to provide the gate driver supply for the Vizplex panel. Two tracking LDOs create the ±15-V source driver supplies that support up to 120-mA of output current. All rails are adjustable through the I2C interface to accommodate specific panel requirements.

Accurate back-plane biasing is provided by a linear amplifier that can be adjusted from 0 V to –5.11 V with 9-bit control through the serial interface; it can also source or sink current depending on panel condition. The TPS65186 supports automatic panel kickback voltage measurement, which eliminates the need for manual VCOM calibration in the production line. The measurement result can be stored in nonvolatile memory to become the new VCOM power-up default value.

TPS65186 is available in a 48-pin 7-mm &times 7-mm2 VQFN with 0.5-mm pitch.

The TPS65186 device is a single-chip power supply designed to for E Ink Vizplex displays used in portable e-reader applications, and the device supports panel sizes up to 9.7 inches and greater. Two high-efficiency DC-DC boost converters generate ±16-V rails that are boosted to 22 V and –20 V by two change pumps to provide the gate driver supply for the Vizplex panel. Two tracking LDOs create the ±15-V source driver supplies that support up to 120-mA of output current. All rails are adjustable through the I2C interface to accommodate specific panel requirements.

Accurate back-plane biasing is provided by a linear amplifier that can be adjusted from 0 V to –5.11 V with 9-bit control through the serial interface; it can also source or sink current depending on panel condition. The TPS65186 supports automatic panel kickback voltage measurement, which eliminates the need for manual VCOM calibration in the production line. The measurement result can be stored in nonvolatile memory to become the new VCOM power-up default value.

TPS65186 is available in a 48-pin 7-mm &times 7-mm2 VQFN with 0.5-mm pitch.

Subscribe to Welllinkchips !
Your Name
* Email
Submit a request