0
TPS65011
  • TPS65011
  • TPS65011

TPS65011

ACTIVE

Multi-Channel 1-cell Li-Ion Power PMIC USB/AC Charger, 2DC/DC, 2 LDOs, I2C interface in QFN-48

Texas Instruments TPS65011 Product Info

1 April 2026 1

Parameters

Regulated outputs (#)

4

Step-down DC/DC converter

2

Step-up DC/DC converter

0

LDO

2

Vin (min) (V)

1.8

Vin (max) (V)

6.5

Vout (min) (V)

0.85

Vout (max) (V)

6.5

Iout (max) (A)

1

Configurability

Hardware configurable, Software configurable

Features

Power good, Power sequencing

Rating

Catalog

Operating temperature range (°C)

-40 to 85

Step-down DC/DC controller

0

Step-up DC/DC controller

0

Iq (typ) (mA)

0.07

Switching frequency (max) (kHz)

1500

Shutdown current (ISD) (typ) (µA)

0.1

Switching frequency (typ) (kHz)

1250

Package

VQFN (RGZ)-48-49 mm² 7 x 7

Features

  • Linear Charger Management for Single Li-Ion or
    Li-Polymer Cells
  • Dual Input Ports for Charging and From USB or
    From Wall Plug, Handles 100-mA / 500-mA USB
    Requirements
  • Charge Current Programmable Via External
    Resistor
  • 1-A, 95% Efficient Step-Down Converter for I/O
    and Peripheral Components (VMAIN)
  • 400-mA, 90% Efficient Step-Down Converter for
    Processor Core (VCORE)
  • 2x 200-mA LDOs for I/O and Peripheral
    Components, LDO Enable via Bus
  • Serial Interface Compatible With I2C, Supports
    100-kHz, 400-kHz Operation
  • LOW_PWR Pin to Lower or Disable Processor
    Core Supply Voltage in Deep Sleep Mode
  • 70-µA Quiescent Current
  • 1% Reference Voltage
  • Thermal Shutdown Protection
  • Linear Charger Management for Single Li-Ion or
    Li-Polymer Cells
  • Dual Input Ports for Charging and From USB or
    From Wall Plug, Handles 100-mA / 500-mA USB
    Requirements
  • Charge Current Programmable Via External
    Resistor
  • 1-A, 95% Efficient Step-Down Converter for I/O
    and Peripheral Components (VMAIN)
  • 400-mA, 90% Efficient Step-Down Converter for
    Processor Core (VCORE)
  • 2x 200-mA LDOs for I/O and Peripheral
    Components, LDO Enable via Bus
  • Serial Interface Compatible With I2C, Supports
    100-kHz, 400-kHz Operation
  • LOW_PWR Pin to Lower or Disable Processor
    Core Supply Voltage in Deep Sleep Mode
  • 70-µA Quiescent Current
  • 1% Reference Voltage
  • Thermal Shutdown Protection

Description

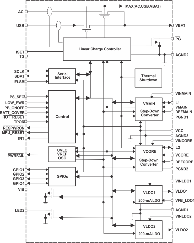
The TPS65011 device is an integrated power and battery management IC for applications powered by one Li-Ion or Li-Polymer cell and which require multiple power rails. The TPS65011 provides two highly efficient, 1.25-MHz step-down converters targeted at providing the core voltage and peripheral, I/O rails in a processor-based system. Both step-down converters enter a low-power mode at light load for maximum efficiency across the widest possible range of load currents.

The TPS65011 also integrates two 200-mA LDO voltage regulators, which are enabled via the serial interface. Each LDO operates with an input voltage range between 1.8 V and 6.5 V, allowing them to be supplied from one of the step-down converters or directly from the battery.

The TPS65011 also has a highly integrated and flexible Li-Ion linear charger and system power management. It offers integrated USB-port and AC-adapter supply management with autonomous power-source selection, power FET and current sensor, high accuracy current and voltage regulation, charge status, and charge termination.

The TPS65011 device is an integrated power and battery management IC for applications powered by one Li-Ion or Li-Polymer cell and which require multiple power rails. The TPS65011 provides two highly efficient, 1.25-MHz step-down converters targeted at providing the core voltage and peripheral, I/O rails in a processor-based system. Both step-down converters enter a low-power mode at light load for maximum efficiency across the widest possible range of load currents.

The TPS65011 also integrates two 200-mA LDO voltage regulators, which are enabled via the serial interface. Each LDO operates with an input voltage range between 1.8 V and 6.5 V, allowing them to be supplied from one of the step-down converters or directly from the battery.

The TPS65011 also has a highly integrated and flexible Li-Ion linear charger and system power management. It offers integrated USB-port and AC-adapter supply management with autonomous power-source selection, power FET and current sensor, high accuracy current and voltage regulation, charge status, and charge termination.

Subscribe to Welllinkchips !
Your Name
* Email
Submit a request