0
TPS631000
  • TPS631000
  • TPS631000

TPS631000

ACTIVE

1.5-A output current, high-power-density buck-boost converter

Texas Instruments TPS631000 Product Info

1 April 2026 1

Parameters

Rating

Catalog

Topology

Buck-Boost

Vin (max) (V)

5.5

Vin (min) (V)

1.6

Vout (max) (V)

5.3

Vout (min) (V)

1.2

Switch current limit (typ) (A)

2.9

Features

Enable, Light-load efficiency, Load Disconnect, Synchronous rectification, UVLO fixed

Operating temperature range (°C)

-40 to 125

Iq (typ) (A)

0.000008

Duty cycle (max) (%)

100

Package

SOT-5X3 (DRL)-8-3.36 mm² 2.1 x 1.6

Features

  • 1.6-V to 5.5-V input voltage range
    • Device input voltage > 1.65 V for start-up
  • 1.2-V to 5.3-V output voltage range (adjustable)
  • High output current capability, 3-A peak switch current
    • 2-A output current for VIN ≥ 3 V, VOUT = 3.3 V
    • 1.5-A output current for VIN ≥ 2.7 V, VOUT = 3.3 V
  • High efficiency over the entire load range
    • 8-µA typical quiescent current
    • Power save mode
  • 150-mV load-step response at a 1-A current step
  • Peak current buck-boost mode architecture
    • Seamless mode transition with < 20-mV output ripple
    • Forward and reverse current operation
    • Start-up into pre-biased outputs
    • Fixed-frequency operation with 2-MHz switching
  • Safety and robust operation features
    • Overcurrent protection and short-circuit protection
    • Integrated soft start with active ramp adoption
    • Overtemperature protection and overvoltage protection
    • True shutdown function with load disconnect
    • Forward and backward current limit
  • Small solution size
    • Small 1-µH inductor
    • Works with one 0805 output capacitor over the full VOUT range
  • Create a custom design using the TPS631000 with the WEBENCH Power Designer
  • 1.6-V to 5.5-V input voltage range
    • Device input voltage > 1.65 V for start-up
  • 1.2-V to 5.3-V output voltage range (adjustable)
  • High output current capability, 3-A peak switch current
    • 2-A output current for VIN ≥ 3 V, VOUT = 3.3 V
    • 1.5-A output current for VIN ≥ 2.7 V, VOUT = 3.3 V
  • High efficiency over the entire load range
    • 8-µA typical quiescent current
    • Power save mode
  • 150-mV load-step response at a 1-A current step
  • Peak current buck-boost mode architecture
    • Seamless mode transition with < 20-mV output ripple
    • Forward and reverse current operation
    • Start-up into pre-biased outputs
    • Fixed-frequency operation with 2-MHz switching
  • Safety and robust operation features
    • Overcurrent protection and short-circuit protection
    • Integrated soft start with active ramp adoption
    • Overtemperature protection and overvoltage protection
    • True shutdown function with load disconnect
    • Forward and backward current limit
  • Small solution size
    • Small 1-µH inductor
    • Works with one 0805 output capacitor over the full VOUT range
  • Create a custom design using the TPS631000 with the WEBENCH Power Designer

Description

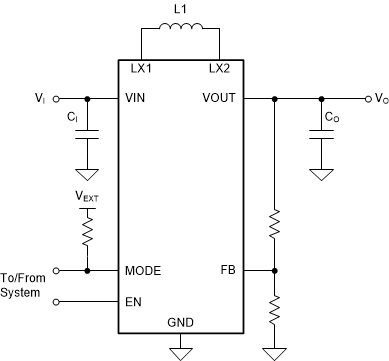
The TPS631000 is a constant frequency peak current mode control buck-boost converter. The device has a 3-A peak current limit (typical) and 1.6-V to 5.5-V input voltage range. The TPS631000 provides a power supply solution for system pre-regulators and voltage stabilizers.

Depending on the input voltage, the TPS631000 automatically operates in boost, buck, or in 3-cycle buck-boost mode when the input voltage is approximately equal to the output voltage. The transitions between modes happen at a defined duty cycle and avoid unwanted toggling within the modes to reduce output voltage ripple. 8-µA quiescent current and power save mode power enable the highest efficiency for light to no-load conditions.

The TPS631000 offers a very small solution size with a 1.2-mm × 2.1-mm SOT-583 package, a 1-µH inductor, and one 0805 output capacitor.

The TPS631000 is a constant frequency peak current mode control buck-boost converter. The device has a 3-A peak current limit (typical) and 1.6-V to 5.5-V input voltage range. The TPS631000 provides a power supply solution for system pre-regulators and voltage stabilizers.

Depending on the input voltage, the TPS631000 automatically operates in boost, buck, or in 3-cycle buck-boost mode when the input voltage is approximately equal to the output voltage. The transitions between modes happen at a defined duty cycle and avoid unwanted toggling within the modes to reduce output voltage ripple. 8-µA quiescent current and power save mode power enable the highest efficiency for light to no-load conditions.

The TPS631000 offers a very small solution size with a 1.2-mm × 2.1-mm SOT-583 package, a 1-µH inductor, and one 0805 output capacitor.

Subscribe to Welllinkchips !
Your Name
* Email
Submit a request