0
TPS62823
  • TPS62823
  • TPS62823

TPS62823

ACTIVE

2.4-V to 5.5-V input, 3-A step-down converter with 1% accuracy in 1.5-mm x 2-mm VSON-HR package

Texas Instruments TPS62823 Product Info

1 April 2026 0

Parameters

Rating

Catalog

Topology

Buck

Iout (max) (A)

3

Vin (max) (V)

5.5

Vin (min) (V)

2.4

Vout (max) (V)

4

Vout (min) (V)

0.6

Features

Enable, Light Load Efficiency, Light load efficiency, Output discharge, Over Current Protection, Power good, Pre-Bias Start-Up, Soft Start Fixed, Synchronous Rectification, UVLO fixed

Control mode

Constant on-time (COT), DCS-Control

Operating temperature range (°C)

-40 to 125

Iq (typ) (A)

0.000004

Duty cycle (max) (%)

100

Package

VSON-HR (DLC)-8-3 mm² 2 x 1.5

Features

  • DCS-Control™ topology
  • 26-mΩ/25-mΩ internal power switches (TPS62823)
  • Up to 3-A output current (TPS62823)
  • Very low quiescent current of 4 µA
  • Switching frequency of typically 2.2 MHz
  • 1% feedback voltage accuracy (full temp. range)
  • Enable (EN) and power good (PG)
  • Adjustable output voltage from 0.6 V to 4 V
  • 100% duty-cycle mode
  • Internal soft-start circuitry
  • Seamless power save mode transition
  • Undervoltage lockout
  • Active output discharge
  • Cycle-by-cycle current limit
  • HICCUP short-circuit protection
  • Over temperature protection
  • CISPR11 class B compliant
  • Create a custom design using the TPS62822 with the WEBENCH® Power Designer
  • DCS-Control™ topology
  • 26-mΩ/25-mΩ internal power switches (TPS62823)
  • Up to 3-A output current (TPS62823)
  • Very low quiescent current of 4 µA
  • Switching frequency of typically 2.2 MHz
  • 1% feedback voltage accuracy (full temp. range)
  • Enable (EN) and power good (PG)
  • Adjustable output voltage from 0.6 V to 4 V
  • 100% duty-cycle mode
  • Internal soft-start circuitry
  • Seamless power save mode transition
  • Undervoltage lockout
  • Active output discharge
  • Cycle-by-cycle current limit
  • HICCUP short-circuit protection
  • Over temperature protection
  • CISPR11 class B compliant
  • Create a custom design using the TPS62822 with the WEBENCH® Power Designer

Description

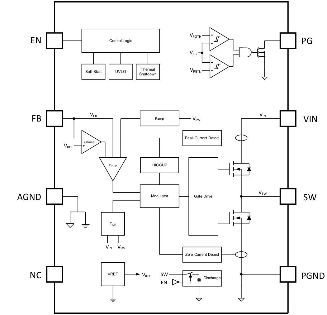
The TPS6282x is an all-purpose and easy to use synchronous step-down DC-DC converter with a very low quiescent current of only 4 µA. It supplies up to 3A output current (TPS62823) from a 2.4-V to 5.5-V input voltage. Based on the DCS-Control™ topology it provides a fast transient response.

The internal reference allows to regulate the output voltage down to 0.6 V with a high feedback voltage accuracy of 1% over the junction temperature range of -40°C to 125°C. The 1-A, 2-A, 3-A scalable pin-to-pin and BOM-to-BOM compatible device family can be used with small 470-nH inductors.

The TPS6282x include an automatically entered power save mode to maintain high efficiency down to very light loads.

The device features a Power Good signal and an internal soft start circuit. It is able to operate in 100% mode. For fault protection, it incorporates a HICCUP current limit as well as a thermal shutdown.

The TPS6282x are packaged in a 2 mm x 1.5 mm QFN-8 package.

The TPS6282x is an all-purpose and easy to use synchronous step-down DC-DC converter with a very low quiescent current of only 4 µA. It supplies up to 3A output current (TPS62823) from a 2.4-V to 5.5-V input voltage. Based on the DCS-Control™ topology it provides a fast transient response.

The internal reference allows to regulate the output voltage down to 0.6 V with a high feedback voltage accuracy of 1% over the junction temperature range of -40°C to 125°C. The 1-A, 2-A, 3-A scalable pin-to-pin and BOM-to-BOM compatible device family can be used with small 470-nH inductors.

The TPS6282x include an automatically entered power save mode to maintain high efficiency down to very light loads.

The device features a Power Good signal and an internal soft start circuit. It is able to operate in 100% mode. For fault protection, it incorporates a HICCUP current limit as well as a thermal shutdown.

The TPS6282x are packaged in a 2 mm x 1.5 mm QFN-8 package.

Subscribe to Welllinkchips !
Your Name
* Email
Submit a request