0
TPS62424-Q1
  • TPS62424-Q1
  • TPS62424-Q1

TPS62424-Q1

ACTIVE

Automotive 2.25-MHz Fixed VOUT Dual 800mA Step-Down Converter for ADAS Camera applications

Texas Instruments TPS62424-Q1 Product Info

1 April 2026 1

Parameters

Rating

Automotive

Topology

Buck

Iout (max) (A)

0.8

Vin (max) (V)

6

Vin (min) (V)

2.5

Vout (max) (V)

1.3

Vout (min) (V)

1.1

Features

Adaptive/Dynamic Voltage Scaling, Enable, Fixed Output, Forced PWM, Light Load Efficiency, Light load efficiency, Over Current Protection, Synchronous Rectification, UVLO fixed

Control mode

Voltage mode

Operating temperature range (°C)

-40 to 125

Iq (typ) (A)

0.000032

Duty cycle (max) (%)

100

Package

VSON (DRC)-10-9 mm² 3 x 3

Features

  • Qualified for automotive applications
  • AEC-Q100 qualified with the following results:
    • Device temperature grade 1: –40°C to 125°C operating junction temperature range
    • Device HBM ESD classification level 2
    • Device CDM ESD classification level C4B
  • High efficiency—up to 95%
  • VIN range from 2.5 V to 6 V
  • 2.25-MHz fixed-frequency operation
  • Output current TPS62406-Q1 1000 mA/400 mA
  • Output current TPS62407-Q1 400 mA/600 mA
  • Output current TPS62422-Q1 1000 mA/600 mA
  • Output current TPS62423-Q1 800 mA/800 mA
  • Output current TPS62424-Q1 800 mA/800 mA
  • Fixed output voltages
  • EasyScale™ optional one-pin serial interface
  • Power save mode at light load currents
  • 180° out-of-phase operation
  • Output-voltage accuracy in PWM mode ±1%
  • Typical 32-µA quiescent current for both converters
  • 100% duty cycle for lowest dropout
  • Qualified for automotive applications
  • AEC-Q100 qualified with the following results:
    • Device temperature grade 1: –40°C to 125°C operating junction temperature range
    • Device HBM ESD classification level 2
    • Device CDM ESD classification level C4B
  • High efficiency—up to 95%
  • VIN range from 2.5 V to 6 V
  • 2.25-MHz fixed-frequency operation
  • Output current TPS62406-Q1 1000 mA/400 mA
  • Output current TPS62407-Q1 400 mA/600 mA
  • Output current TPS62422-Q1 1000 mA/600 mA
  • Output current TPS62423-Q1 800 mA/800 mA
  • Output current TPS62424-Q1 800 mA/800 mA
  • Fixed output voltages
  • EasyScale™ optional one-pin serial interface
  • Power save mode at light load currents
  • 180° out-of-phase operation
  • Output-voltage accuracy in PWM mode ±1%
  • Typical 32-µA quiescent current for both converters
  • 100% duty cycle for lowest dropout

Description

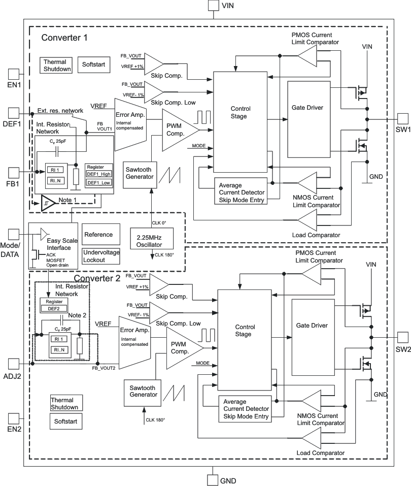
The TPS624xx-Q1 family of devices are synchronous dual step-down DC-DC converters for Automotive applications such as Advanced Driver Assistance Systems (ADAS). They provide two independent output voltage rails powered by a standard 3.3-V or 5-V voltage rail, with fixed output voltages optimized for powering the CMOS imager or serializer-deserializer in ADAS camera modules.

The EasyScale™ serial interface allows output-voltages modification during operation. The fixed-output-voltage versions TPS624xx-Q1 support one-pin-controlled simple dynamic voltage scaling for low-power processors.

The TPS624xx-Q1 family of devices operates at 2.25-MHz fixed switching frequency and enters the power-save mode operation at light load currents to maintain high efficiency over the entire load-current range. For low-noise applications, one can force the devices into fixed-frequency PWM mode by pulling the MODE/DATA pin high. The shutdown mode reduces the current consumption to 1.2-µA, typical. The devices allow the use of small inductors and capacitors to achieve a small solution size.

The TPS624xx-Q1 family of devices are synchronous dual step-down DC-DC converters for Automotive applications such as Advanced Driver Assistance Systems (ADAS). They provide two independent output voltage rails powered by a standard 3.3-V or 5-V voltage rail, with fixed output voltages optimized for powering the CMOS imager or serializer-deserializer in ADAS camera modules.

The EasyScale™ serial interface allows output-voltages modification during operation. The fixed-output-voltage versions TPS624xx-Q1 support one-pin-controlled simple dynamic voltage scaling for low-power processors.

The TPS624xx-Q1 family of devices operates at 2.25-MHz fixed switching frequency and enters the power-save mode operation at light load currents to maintain high efficiency over the entire load-current range. For low-noise applications, one can force the devices into fixed-frequency PWM mode by pulling the MODE/DATA pin high. The shutdown mode reduces the current consumption to 1.2-µA, typical. The devices allow the use of small inductors and capacitors to achieve a small solution size.

Subscribe to Welllinkchips !
Your Name
* Email
Submit a request