0
LMC6772-Q1
  • LMC6772-Q1
  • LMC6772-Q1
  • LMC6772-Q1
  • LMC6772-Q1

LMC6772-Q1

ACTIVE

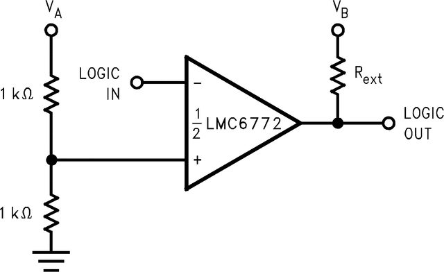
Automotive dual low-power, 15-V comparator with open-drain output

Texas Instruments LMC6772-Q1 Product Info

1 April 2026 2

Parameters

Number of channels

2

Output type

Open-collector, Open-drain

Propagation delay time (µs)

4

Vs (max) (V)

15

Vs (min) (V)

2.7

Rating

Automotive

Iq per channel (typ) (mA)

0.006

Vos (offset voltage at 25°C) (max) (mV)

10

Rail-to-rail

In

Operating temperature range (°C)

-40 to 125

Input bias current (±) (max) (nA)

0.0004

VICR (max) (V)

15.2

VICR (min) (V)

-0.2

Package

VSSOP (DGK)-8-14.7 mm² 3 x 4.9

Features

  • Low Power Consumption (Max): IS = 10µA
  • Wide Range of Supply Voltages: 2.7V to 15V
  • Rail-to-Rail Input Common Mode Voltage Range
  • Open Drain Output
  • Short Circuit Protection: 40mA
  • Propagation Delay (VS = 5V, 100mV Overdrive): 420ns
  • LMC6772Q is AEC-Q Qualified
  • LMC6772Q has −40°C to 125°C Temperature Range
  • Low Power Consumption (Max): IS = 10µA
  • Wide Range of Supply Voltages: 2.7V to 15V
  • Rail-to-Rail Input Common Mode Voltage Range
  • Open Drain Output
  • Short Circuit Protection: 40mA
  • Propagation Delay (VS = 5V, 100mV Overdrive): 420ns
  • LMC6772Q is AEC-Q Qualified
  • LMC6772Q has −40°C to 125°C Temperature Range

Description

The LMC6772 is an ultra low power dual comparator with a maximum 10µA power supply current. The comparators are designed to operate over a wide range of supply voltages, with a minimum supply voltage of 2.7V.

The common mode voltage range of the LMC6772 exceeds both the positive and negative supply rails, a significant advantage in single supply applications. The open drain output of the LMC6772 allows for wired-OR configurations. The open drain output also offers the advantage of allowing the output to be pulled to any voltage rail up to 15V, regardless of the supply voltage of the LMC6772.

The LMC6772 is targeted for systems where low power consumption is the critical parameter. Ensured operation at supply voltages of 2.7V and rail-to-rail performance makes this comparator well suited for battery-powered applications.

Refer to the LMC6762 datasheet for a push-pull output stage version of this device.

The LMC6772 is an ultra low power dual comparator with a maximum 10µA power supply current. The comparators are designed to operate over a wide range of supply voltages, with a minimum supply voltage of 2.7V.

The common mode voltage range of the LMC6772 exceeds both the positive and negative supply rails, a significant advantage in single supply applications. The open drain output of the LMC6772 allows for wired-OR configurations. The open drain output also offers the advantage of allowing the output to be pulled to any voltage rail up to 15V, regardless of the supply voltage of the LMC6772.

The LMC6772 is targeted for systems where low power consumption is the critical parameter. Ensured operation at supply voltages of 2.7V and rail-to-rail performance makes this comparator well suited for battery-powered applications.

Refer to the LMC6762 datasheet for a push-pull output stage version of this device.

Subscribe to Welllinkchips !
Your Name
* Email
Submit a request