0
TPS62242
  • TPS62242
  • TPS62242

TPS62242

ACTIVE

1.2V / 300mA Step-Down Converter in 2x2mm SON/TSOT23 Package

Texas Instruments TPS62242 Product Info

1 April 2026 0

Parameters

Rating

Catalog

Topology

Buck

Iout (max) (A)

0.3

Vin (max) (V)

6

Vin (min) (V)

2

Vout (max) (V)

1.2

Vout (min) (V)

1.2

Features

Enable, Forced PWM, Light Load Efficiency, Light load efficiency, Synchronous Rectification

Control mode

Voltage mode

Operating temperature range (°C)

-40 to 85

Iq (typ) (A)

0.000015

Duty cycle (max) (%)

100

Package

WSON (DRV)-6-4 mm² 2 x 2

Features

  • High Efficiency - Greater Than 94%
  • Output Current up to 300 mA
  • VIN Range from 2 V to 6 V for Li-ion Batteries With
    Extended Voltage Range
  • 2.25-MHz Fixed-Frequency Operation
  • Power Save Mode at Light Load Currents
  • Output Voltage Accuracy in PWM Mode ±1.5%
  • Adjustable Output Voltage from 0.6 V to VIN
  • Typical 15-µA Quiescent Current
  • 100% Duty Cycle for Lowest Dropout
  • Available in a SOT (5) and 2-mm × 2-mm × 0.8-
    mm WSON (6) Package
  • Allows <1-mm Solution Height
  • High Efficiency - Greater Than 94%
  • Output Current up to 300 mA
  • VIN Range from 2 V to 6 V for Li-ion Batteries With
    Extended Voltage Range
  • 2.25-MHz Fixed-Frequency Operation
  • Power Save Mode at Light Load Currents
  • Output Voltage Accuracy in PWM Mode ±1.5%
  • Adjustable Output Voltage from 0.6 V to VIN
  • Typical 15-µA Quiescent Current
  • 100% Duty Cycle for Lowest Dropout
  • Available in a SOT (5) and 2-mm × 2-mm × 0.8-
    mm WSON (6) Package
  • Allows <1-mm Solution Height

Description

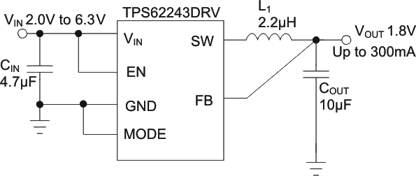
The TPS6224x device is a highly efficient synchronous step-down DC-DC converter. The device provides up to 300-mA output current from a single Li-Ion cell and is ideal for battery powered portable applications like mobile phones and other portable equipment.

With an wide input voltage range of 2 V to 6 V, the device also supports two- and three-cell alkaline, 3.3-V and 5-V input voltage rails.

The TPS6224x operates at 2.25-MHz fixed switching frequency and enters power save mode operation at light load currents to maintain high efficiency over the entire load current range.

The power save mode is optimized for low output voltage ripple. For low-noise applications, the device can be forced into fixed-frequency pulse width modulation (PWM) mode by pulling the MODE pin high. In shutdown mode, the current consumption is reduced to less than 1 µA. The TPS6224x allows the use of small inductors and capacitors to achieve a small solution size.

The TPS6224x operates over a free-air temperature range of –40°C to 85°C. The device is available in a 5-pin SOT and a 6-pin 2-mm × 2-mm WSON package.

The TPS6224x device is a highly efficient synchronous step-down DC-DC converter. The device provides up to 300-mA output current from a single Li-Ion cell and is ideal for battery powered portable applications like mobile phones and other portable equipment.

With an wide input voltage range of 2 V to 6 V, the device also supports two- and three-cell alkaline, 3.3-V and 5-V input voltage rails.

The TPS6224x operates at 2.25-MHz fixed switching frequency and enters power save mode operation at light load currents to maintain high efficiency over the entire load current range.

The power save mode is optimized for low output voltage ripple. For low-noise applications, the device can be forced into fixed-frequency pulse width modulation (PWM) mode by pulling the MODE pin high. In shutdown mode, the current consumption is reduced to less than 1 µA. The TPS6224x allows the use of small inductors and capacitors to achieve a small solution size.

The TPS6224x operates over a free-air temperature range of –40°C to 85°C. The device is available in a 5-pin SOT and a 6-pin 2-mm × 2-mm WSON package.

Subscribe to Welllinkchips !
Your Name
* Email
Submit a request