0
OPA2171-Q1
  • OPA2171-Q1
  • OPA2171-Q1
  • OPA2171-Q1

OPA2171-Q1

ACTIVE

Automotive-grade, dual, 36-V, 3-MHz, low-power operational amplifier

Texas Instruments OPA2171-Q1 Product Info

1 April 2026 1

Parameters

Number of channels

2

Total supply voltage (+5 V = 5, ±5 V = 10) (max) (V)

36

Total supply voltage (+5 V = 5, ±5 V = 10) (min) (V)

2.7

Rail-to-rail

In to V-, Out

GBW (typ) (MHz)

3

Slew rate (typ) (V/µs)

1.5

Vos (offset voltage at 25°C) (max) (mV)

1.8

Iq per channel (typ) (mA)

0.475

Vn at 1 kHz (typ) (nV√Hz)

14

Rating

Automotive

Operating temperature range (°C)

-40 to 125

Offset drift (typ) (µV/°C)

0.3

Features

EMI Hardened

Input bias current (max) (pA)

15

CMRR (typ) (dB)

120

Iout (typ) (A)

0.025

Architecture

CMOS

Input common mode headroom (to negative supply) (typ) (V)

-0.1

Input common mode headroom (to positive supply) (typ) (V)

-2

Output swing headroom (to negative supply) (typ) (V)

0.03

Output swing headroom (to positive supply) (typ) (V)

-0.35

Package

SOIC (D)-8-29.4 mm² 4.9 x 6

Features

  • Qualified for automotive applications
  • AEC-Q100 test guidance with the following results:
    • Temperature grade 1: –40°C to +125°C ambient operating temperature
    • Device HBM ESD classification level:
      • Level 3A forOPA171-Q1
      • Level 2 for OPA4171-Q1
    • Device CDM ESD classification level
      • Level C4A for OPA171-Q1TLV171-Q1
      • Level C6 for OPA2171-Q1
      • Level C6 for OPA4171-Q1
  • Supply range:
    • Single-supply: 2.7 V to 36 V
    • Dual-supply ±1.35 V to ±18 V
  • Low noise: 14 nV/√Hz at 1 kHz
  • Low offset drift: ±0.3 µV/°C (typical)
  • Input range includes negative supply
  • Input range operates to positive supply with reduced performance
  • Rail-to-rail output
  • Gain bandwidth: 3 MHz
  • Low quiescent current: 475 µA per amplifier
  • High Common-mode rejection: 120 dB (typical)
  • Low input bias current: 10 pA
  • Industry-Standard Package:
    • 5-Pin Small-Outline Transistor SOT-23 (DBV) Package
  • Qualified for automotive applications
  • AEC-Q100 test guidance with the following results:
    • Temperature grade 1: –40°C to +125°C ambient operating temperature
    • Device HBM ESD classification level:
      • Level 3A forOPA171-Q1
      • Level 2 for OPA4171-Q1
    • Device CDM ESD classification level
      • Level C4A for OPA171-Q1TLV171-Q1
      • Level C6 for OPA2171-Q1
      • Level C6 for OPA4171-Q1
  • Supply range:
    • Single-supply: 2.7 V to 36 V
    • Dual-supply ±1.35 V to ±18 V
  • Low noise: 14 nV/√Hz at 1 kHz
  • Low offset drift: ±0.3 µV/°C (typical)
  • Input range includes negative supply
  • Input range operates to positive supply with reduced performance
  • Rail-to-rail output
  • Gain bandwidth: 3 MHz
  • Low quiescent current: 475 µA per amplifier
  • High Common-mode rejection: 120 dB (typical)
  • Low input bias current: 10 pA
  • Industry-Standard Package:
    • 5-Pin Small-Outline Transistor SOT-23 (DBV) Package

Description

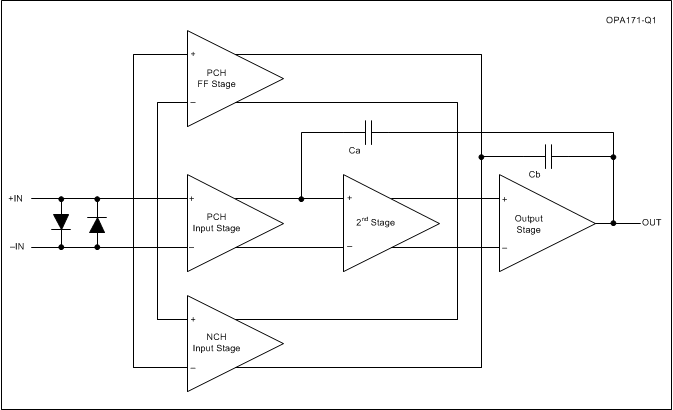
The OPA171-Q1 family of devices is a 36-V, single-supply, low-noise operational amplifier (op amp) with the ability to operate on supplies ranging from 2.7 V (±1.35 V) to 36 V (±18 V). This series is available in multiple packages and offers low offset, drift, and low quiescent current. The single, dual, and quad versions all have identical specifications for maximum design flexibility.

Unlike most op amps, which are specified at only one supply voltage, the OPAx171-Q1 family of devices is specified from 2.7 V to 36 V. Input signals beyond the supply rails do not cause phase reversal. The OPAx171-Q1 family of devices is stable with capacitive loads up to 300 pF. The input can operate 100 mV below the negative rail and within 2 V of the top rail during normal operation. The device can operate with full rail-to-rail input 100 mV beyond the top rail, but with reduced performance within 2 V of the top rail.

The OPAx171-Q1 op amp family is specified from –40°C to +125°C.

The OPA171-Q1 family of devices is a 36-V, single-supply, low-noise operational amplifier (op amp) with the ability to operate on supplies ranging from 2.7 V (±1.35 V) to 36 V (±18 V). This series is available in multiple packages and offers low offset, drift, and low quiescent current. The single, dual, and quad versions all have identical specifications for maximum design flexibility.

Unlike most op amps, which are specified at only one supply voltage, the OPAx171-Q1 family of devices is specified from 2.7 V to 36 V. Input signals beyond the supply rails do not cause phase reversal. The OPAx171-Q1 family of devices is stable with capacitive loads up to 300 pF. The input can operate 100 mV below the negative rail and within 2 V of the top rail during normal operation. The device can operate with full rail-to-rail input 100 mV beyond the top rail, but with reduced performance within 2 V of the top rail.

The OPAx171-Q1 op amp family is specified from –40°C to +125°C.

Subscribe to Welllinkchips !
Your Name
* Email
Submit a request