0
TPS62130A
  • TPS62130A
  • TPS62130A

TPS62130A

ACTIVE

3-V to 17-V, 3-A step-down converter with DCS-control in 3x3 QFN package

Texas Instruments TPS62130A Product Info

1 April 2026 1

Parameters

Rating

Catalog

Topology

Buck

Iout (max) (A)

3

Vin (max) (V)

17

Vin (min) (V)

3

Vout (max) (V)

6

Vout (min) (V)

0.9

Features

Enable, Light-load efficiency, Output discharge, Power good, Prebias startup, Synchronous rectification, Tracking, Voltage Margining

Control mode

Constant on-time (COT), DCS-Control

Operating temperature range (°C)

-40 to 125

Iq (typ) (A)

0.000017

Duty cycle (max) (%)

100

Package

VQFN (RGT)-16-9 mm² 3 x 3

Features

  • DCS-Control™ topology
  • Input voltage range: 3 V to 17 V
  • Up to 3-A output current
  • Adjustable output voltage from 0.9 V to 6 V
  • Pin-selectable output voltage (nominal, + 5%)
  • Programmable soft start and tracking
  • Seamless power save mode transition
  • Quiescent current of 17 µA (typical)
  • Selectable operating frequency
  • Power-good output
  • 100% duty cycle mode
  • Short circuit protection
  • Overtemperature protection
  • Pin-to-pin compatible with the TPS62140 and TPS62150
  • Available in a 3-mm × 3-mm, QFN-16 package
  • Use the TPS82130 for faster designs
  • DCS-Control™ topology
  • Input voltage range: 3 V to 17 V
  • Up to 3-A output current
  • Adjustable output voltage from 0.9 V to 6 V
  • Pin-selectable output voltage (nominal, + 5%)
  • Programmable soft start and tracking
  • Seamless power save mode transition
  • Quiescent current of 17 µA (typical)
  • Selectable operating frequency
  • Power-good output
  • 100% duty cycle mode
  • Short circuit protection
  • Overtemperature protection
  • Pin-to-pin compatible with the TPS62140 and TPS62150
  • Available in a 3-mm × 3-mm, QFN-16 package
  • Use the TPS82130 for faster designs

Description

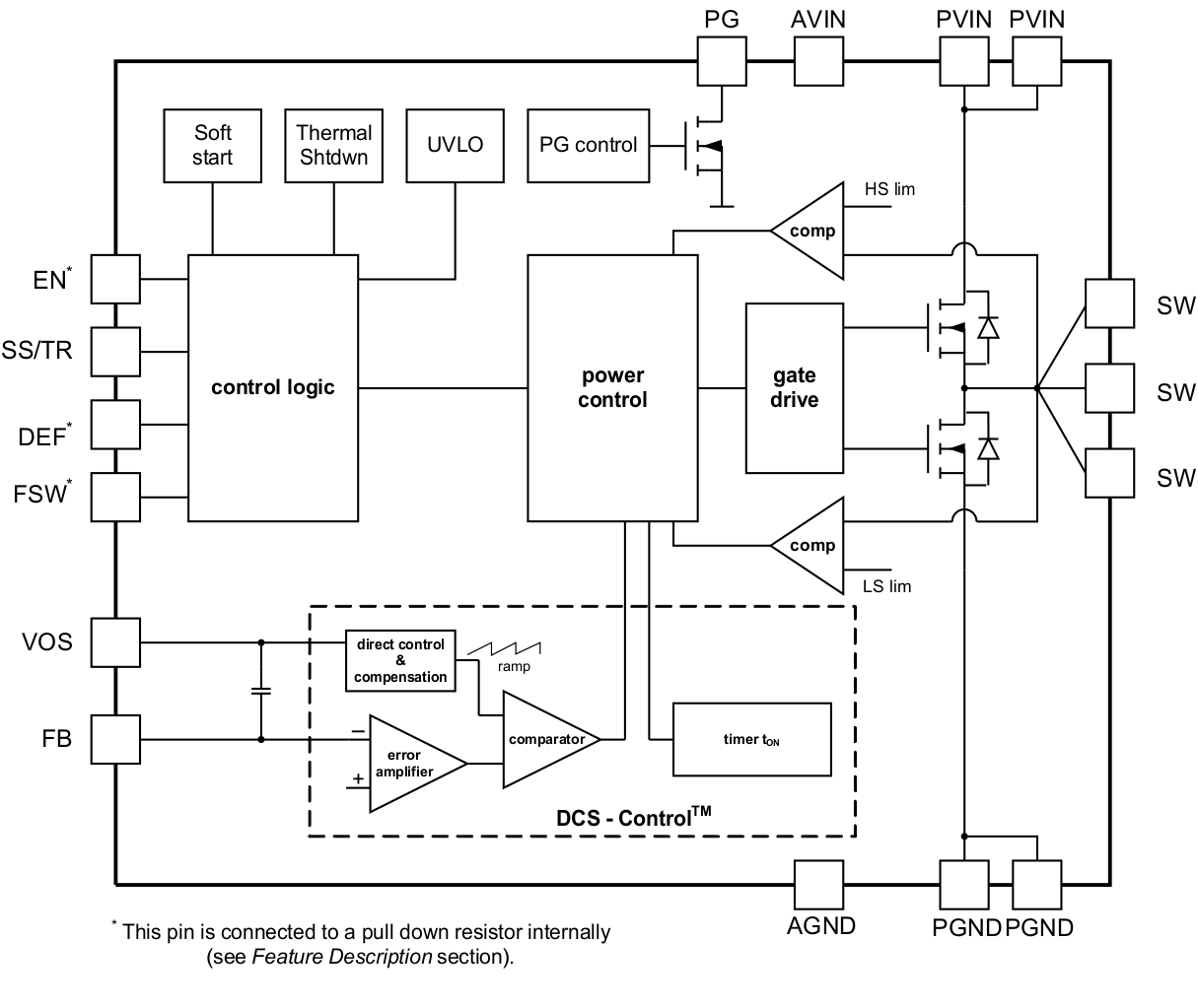
The TPS6213x family are easy-to-use synchronous step down DC-DC converters optimized for applications with high power density. A high switching frequency of typically 2.5 MHz allows the use of small inductors and provides fast transient response as well as high output voltage accuracy by use of the DCS-Control topology.

With their wide operating input voltage range of 3 V to 17 V, the devices are ideally suited for systems powered from either a Li-Ion or other batteries as well as from 12-V intermediate power rails. They support up to 3-A continuous output current at output voltages between 0.9 V and 6 V (with 100% duty cycle mode). The output voltage start-up ramp is controlled by the soft-start pin, which allows operation as either a stand-alone power supply or in tracking configurations. Power sequencing is also possible by configuring the Enable and open-drain Power Good pins.

In power save mode, the devices draw quiescent current of approximately 17 µA from VIN. Power save mode, entered automatically and seamlessly if the load is small, maintains high efficiency over the entire load range. In shutdown mode, the device is turned off and shutdown current consumption is less than 2 µA.

The device, available in adjustable and fixed output voltage versions, is packaged in a 16-pin VQFN package measuring 3 mm × 3 mm (RGT).

The TPS6213x family are easy-to-use synchronous step down DC-DC converters optimized for applications with high power density. A high switching frequency of typically 2.5 MHz allows the use of small inductors and provides fast transient response as well as high output voltage accuracy by use of the DCS-Control topology.

With their wide operating input voltage range of 3 V to 17 V, the devices are ideally suited for systems powered from either a Li-Ion or other batteries as well as from 12-V intermediate power rails. They support up to 3-A continuous output current at output voltages between 0.9 V and 6 V (with 100% duty cycle mode). The output voltage start-up ramp is controlled by the soft-start pin, which allows operation as either a stand-alone power supply or in tracking configurations. Power sequencing is also possible by configuring the Enable and open-drain Power Good pins.

In power save mode, the devices draw quiescent current of approximately 17 µA from VIN. Power save mode, entered automatically and seamlessly if the load is small, maintains high efficiency over the entire load range. In shutdown mode, the device is turned off and shutdown current consumption is less than 2 µA.

The device, available in adjustable and fixed output voltage versions, is packaged in a 16-pin VQFN package measuring 3 mm × 3 mm (RGT).

Subscribe to Welllinkchips !
Your Name
* Email
Submit a request