0
TPS62003
  • TPS62003
  • TPS62003

TPS62003

ACTIVE

1.2-V Output, 600-mA, 95% Efficient Step-Down Converter in MSOP-10

Texas Instruments TPS62003 Product Info

1 April 2026 1

Parameters

Rating

Catalog

Topology

Buck

Iout (max) (A)

0.6

Vin (max) (V)

5.5

Vin (min) (V)

2

Vout (max) (V)

1.2

Vout (min) (V)

1.2

Features

Adjustable current limit, Enable, Frequency synchronization, Light Load Efficiency, Light load efficiency, Power good, Synchronous Rectification

Control mode

current mode

Operating temperature range (°C)

-40 to 85

Iq (typ) (A)

0.00005

Duty cycle (max) (%)

100

Package

VSSOP (DGS)-10-14.7 mm² 3 x 4.9

Features

  • High-Efficiency Synchronous Step-Down
    Converter with More than 95% Efficiency
  • 2-V to 5.5-V Operating Input Voltage Range
  • Adjustable Output Voltage Range From 0.8 V to
    VIN
  • Fixed Output Voltage Options Available in 0.9 V,
    1 V, 1.2 V, 1.5 V, 1.8 V, 1.9 V, 2.5 V, and 3.3 V
  • Synchronizable to External Clock Signal up to
    1 MHz
  • Up to 600 mA Output Current
  • Pin-Programmable Current Limit
  • High Efficiency Over a Wide Load Current Range
    in Power Save Mode
  • 100% Maximum Duty Cycle for Lowest Dropout
  • Low-Noise Operation Antiringing Switch and
    PFM/PWM Operation Mode
  • Internal Softstart
  • 50-µA Quiescent Current (TYP)
  • Available in the 10-Pin Microsmall Outline
    Package (VSSOP)
  • Evaluation Module Available
  • High-Efficiency Synchronous Step-Down
    Converter with More than 95% Efficiency
  • 2-V to 5.5-V Operating Input Voltage Range
  • Adjustable Output Voltage Range From 0.8 V to
    VIN
  • Fixed Output Voltage Options Available in 0.9 V,
    1 V, 1.2 V, 1.5 V, 1.8 V, 1.9 V, 2.5 V, and 3.3 V
  • Synchronizable to External Clock Signal up to
    1 MHz
  • Up to 600 mA Output Current
  • Pin-Programmable Current Limit
  • High Efficiency Over a Wide Load Current Range
    in Power Save Mode
  • 100% Maximum Duty Cycle for Lowest Dropout
  • Low-Noise Operation Antiringing Switch and
    PFM/PWM Operation Mode
  • Internal Softstart
  • 50-µA Quiescent Current (TYP)
  • Available in the 10-Pin Microsmall Outline
    Package (VSSOP)
  • Evaluation Module Available

Description

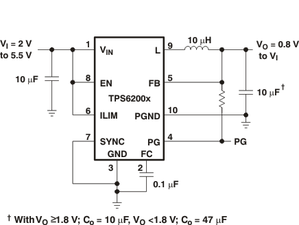
The TPS6200x devices are a family of low-noise synchronous step-down DC/DC converters that are ideally suited for systems powered from a 1-cell Li-ion battery or from a 2- to 3-cell NiCd, NiMH, or alkaline battery. The TPS6200x operates typically down to an input voltage of 1.8 V, with a specified minimum input voltage of 2 V.

The TPS62000 operates over a free-air temperature range of –40°C to 85°C.The device is available in the 10-pin (DGS) microsmall outline package (VSSOP).

The TPS6200x devices are a family of low-noise synchronous step-down DC/DC converters that are ideally suited for systems powered from a 1-cell Li-ion battery or from a 2- to 3-cell NiCd, NiMH, or alkaline battery. The TPS6200x operates typically down to an input voltage of 1.8 V, with a specified minimum input voltage of 2 V.

The TPS62000 operates over a free-air temperature range of –40°C to 85°C.The device is available in the 10-pin (DGS) microsmall outline package (VSSOP).

Subscribe to Welllinkchips !
Your Name
* Email
Submit a request