0
OPA1612-Q1
  • OPA1612-Q1
  • OPA1612-Q1

OPA1612-Q1

ACTIVE

Automotive, 1.1nV/√Hz Noise, Low Power, Precision Audio Operational Amplifier

Texas Instruments OPA1612-Q1 Product Info

1 April 2026 1

Parameters

Number of channels

2

Total supply voltage (+5 V = 5, ±5 V = 10) (min) (V)

4.5

Total supply voltage (+5 V = 5, ±5 V = 10) (max) (V)

36

GBW (typ) (MHz)

40

Slew rate (typ) (V/µs)

27

Rail-to-rail

Out

Vos (offset voltage at 25°C) (max) (mV)

0.5

Iq per channel (typ) (mA)

3.6

Vn at 1 kHz (typ) (nV√Hz)

1.1

THD + N at 1 kHz (typ) (%)

0.000015

Rating

Automotive

Operating temperature range (°C)

-40 to 125

Iout (typ) (A)

0.055

Architecture

Bipolar

CMRR (typ) (dB)

120

Input bias current (max) (pA)

250000

Package

SOIC (D)-8-29.4 mm² 4.9 x 6

Features

  • Qualified for Automotive Applications
  • AEC-Q100 Qualified With the Following Results:
    • Device Temperature Grade 1: –40°C to +125°C Ambient Operating Temperature Range
    • Device HBM Classification Level 2
    • Device CDM Classification Level C6
  • Superior Sound Quality
  • Ultralow Noise: 1.1 nV/√Hz at 1 kHz
  • Ultralow Distortion:
    0.000015% at 1 kHz
  • High Slew Rate: 27 V/μs
  • Wide Bandwidth: 40 MHz (G = +1)
  • High Open-Loop Gain: 130 dB
  • Unity Gain Stable
  • Low Quiescent Current:
    3.6 mA per Channel
  • Rail-to-Rail Output
  • Wide Supply Range: ±2.25 V to ±18 V
  • Qualified for Automotive Applications
  • AEC-Q100 Qualified With the Following Results:
    • Device Temperature Grade 1: –40°C to +125°C Ambient Operating Temperature Range
    • Device HBM Classification Level 2
    • Device CDM Classification Level C6
  • Superior Sound Quality
  • Ultralow Noise: 1.1 nV/√Hz at 1 kHz
  • Ultralow Distortion:
    0.000015% at 1 kHz
  • High Slew Rate: 27 V/μs
  • Wide Bandwidth: 40 MHz (G = +1)
  • High Open-Loop Gain: 130 dB
  • Unity Gain Stable
  • Low Quiescent Current:
    3.6 mA per Channel
  • Rail-to-Rail Output
  • Wide Supply Range: ±2.25 V to ±18 V

Description

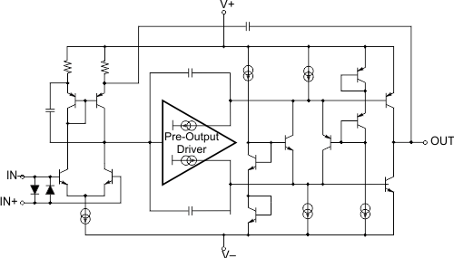
The OPA1612-Q1 device is a dual, SoundPlus, bipolar-input operational amplifierthat achieves achieve very low 1.1-nV/√Hz noise density with an ultralow distortion of 0.000015% at 1 kHz. The OPA1612-Q1 device offers rail-to-rail output swing to within 600 mV with a 2-kΩ load, which increases headroom and maximizes dynamic range. These devices also have a high output drive capability of ±30 mA.

These devices operate over a very wide supply range of ±2.25 V to ±18 V, on only 3.6 mA of supply current per channel. The OPA1612-Q1 op amp is unity-gain stable and provide excellent dynamic behavior over a wide range of load conditions.

The dual version features completely independent circuitry for lowest crosstalk and freedom from interactions between channels, even when overdriven or overloaded.

The OPA1612-Q1 device is available in a SOIC-8 package. The device is specified from –40°C to +125°C.

For all available packages, see the orderable addendum at the end of the datasheet.

The OPA1612-Q1 device is a dual, SoundPlus, bipolar-input operational amplifierthat achieves achieve very low 1.1-nV/√Hz noise density with an ultralow distortion of 0.000015% at 1 kHz. The OPA1612-Q1 device offers rail-to-rail output swing to within 600 mV with a 2-kΩ load, which increases headroom and maximizes dynamic range. These devices also have a high output drive capability of ±30 mA.

These devices operate over a very wide supply range of ±2.25 V to ±18 V, on only 3.6 mA of supply current per channel. The OPA1612-Q1 op amp is unity-gain stable and provide excellent dynamic behavior over a wide range of load conditions.

The dual version features completely independent circuitry for lowest crosstalk and freedom from interactions between channels, even when overdriven or overloaded.

The OPA1612-Q1 device is available in a SOIC-8 package. The device is specified from –40°C to +125°C.

For all available packages, see the orderable addendum at the end of the datasheet.

Subscribe to Welllinkchips !
Your Name
* Email
Submit a request