0
TPS61379-Q1
  • TPS61379-Q1
  • TPS61379-Q1
  • TPS61379-Q1

TPS61379-Q1

ACTIVE

25µA quiescent current synchronous boost converter

Texas Instruments TPS61379-Q1 Product Info

1 April 2026 0

Parameters

Rating

Automotive

Topology

Boost

Vin (max) (V)

14

Vin (min) (V)

2.3

Vout (max) (V)

18.5

Vout (min) (V)

4

Switch current limit (typ) (A)

2

Features

Enable, Frequency synchronization, Light-load efficiency, Load Disconnect, Power good, Spread Spectrum, Synchronous rectification, UVLO fixed

EMI features

Frequency Dithering, Spread Spectrum

Control mode

Peak current mode

Operating temperature range (°C)

-40 to 125

Iq (typ) (A)

0.000025

Duty cycle (max) (%)

90

TI functional safety category

Functional Safety-Capable

Package

WQFN (RTE)-16-9 mm² 3 x 3

Features

  • AEC-Q100 qualified for automotive applications
    • Device temperature grade 1: –40°C to 125°C ambient operating temperature range
  • Function Safety-Capable
  • Flexible input and output operation range
    • Input voltage range: 2.3 V to 14 V
    • Programmable output voltage range: 4.0 V to 18.5 V
    • 5-V, 5.25-V, 5.5-V fixed output options
    • Fixed 2-A peak current limit
  • Avoid AM band interference and crosstalk
    • Dynamically programmable switching frequency: 200 kHz to 2.2 MHz
    • Spread spectrum frequency modulation
    • Optional clock synchronization
  • Minimize solution size for space constraint applications
    • Integrated LS/HS/ISO FET: RDS(ON) 50 mΩ/50 mΩ/100 mΩ
    • Support up to 2.2 MHz with small L-C
  • Minimized light load and idle state current consumption
    • 25-µA quiescent current into VIN pin
    • 0.5-µA shutdown current into VIN pin
    • Selectable auto PFM and forced PWM mode
    • True load disconnect during shutdown or fault conditions
  • Integrated protection features
    • Support VIN close to VOUT operation
    • Input undervoltage lockout and output overvoltage protection
    • Hiccup output short circuit protection
    • Power good indicator
    • Thermal shutdown protection at 165°C
  • Higher than 90% efficiency under 0.25-A load from 3.3-V to 9-V conversion
  • AEC-Q100 qualified for automotive applications
    • Device temperature grade 1: –40°C to 125°C ambient operating temperature range
  • Function Safety-Capable
  • Flexible input and output operation range
    • Input voltage range: 2.3 V to 14 V
    • Programmable output voltage range: 4.0 V to 18.5 V
    • 5-V, 5.25-V, 5.5-V fixed output options
    • Fixed 2-A peak current limit
  • Avoid AM band interference and crosstalk
    • Dynamically programmable switching frequency: 200 kHz to 2.2 MHz
    • Spread spectrum frequency modulation
    • Optional clock synchronization
  • Minimize solution size for space constraint applications
    • Integrated LS/HS/ISO FET: RDS(ON) 50 mΩ/50 mΩ/100 mΩ
    • Support up to 2.2 MHz with small L-C
  • Minimized light load and idle state current consumption
    • 25-µA quiescent current into VIN pin
    • 0.5-µA shutdown current into VIN pin
    • Selectable auto PFM and forced PWM mode
    • True load disconnect during shutdown or fault conditions
  • Integrated protection features
    • Support VIN close to VOUT operation
    • Input undervoltage lockout and output overvoltage protection
    • Hiccup output short circuit protection
    • Power good indicator
    • Thermal shutdown protection at 165°C
  • Higher than 90% efficiency under 0.25-A load from 3.3-V to 9-V conversion

Description

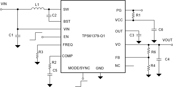
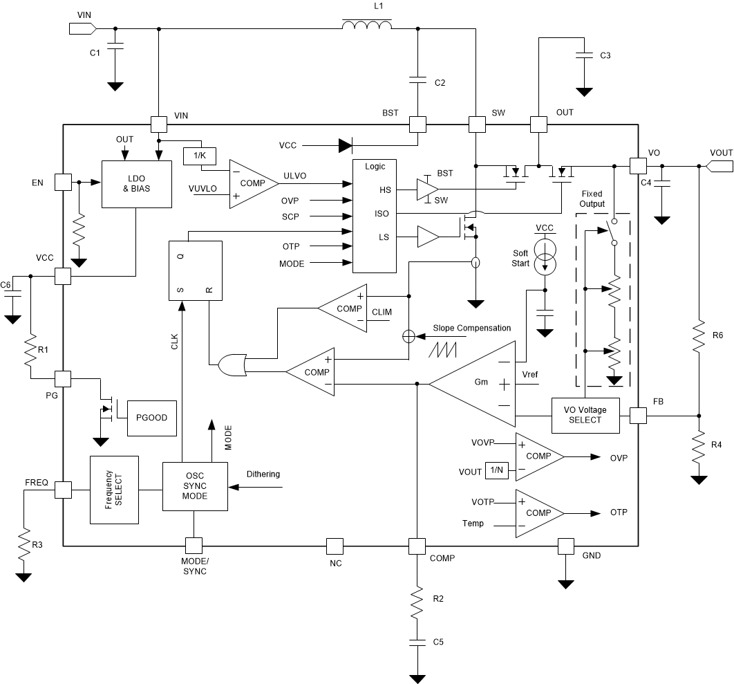
The TPS61379-Q1 is a fully integrated synchronous boost converter with load disconnect function integrated. The input voltage covers 2.3 V to 14 V, while the maximal output voltage is up to 18.5 V. The switching current limit is 2 A typical. It consumes 25-µA quiescent current from VIN.

The TPS61379-Q1 employs the peak current mode control with the switching frequency programmable from 200 kHz to 2.2 MHz. The device works in fixed frequency PWM operation in medium to heavy load. There are two optional modes in light load by configuring the MODE pin: auto PFM mode and forced PWM to balance the efficiency and noise immunity in light load. The switching frequency can be synchronized to an external clock. The TPS61379-Q1 uses the spread spectrum of the internal clock to be more EMI friendly at FPWM mode. In addition, there is an internal soft-start time to limit the inrush current.

The TPS61379-Q1 has various fixed output voltage versions to save the external feedback resistor. It supports the external loop compensation so that the stability and transient response can be optimized at wider VOUT/VIN ranges. It also integrates robust protection features including the output short protection, output overvoltage protection, and thermal shutdown protection. The TPS61379-Q1 is available in a 3-mm × 3-mm 16-pin QFN package with wettable flank.

The TPS61379-Q1 is a fully integrated synchronous boost converter with load disconnect function integrated. The input voltage covers 2.3 V to 14 V, while the maximal output voltage is up to 18.5 V. The switching current limit is 2 A typical. It consumes 25-µA quiescent current from VIN.

The TPS61379-Q1 employs the peak current mode control with the switching frequency programmable from 200 kHz to 2.2 MHz. The device works in fixed frequency PWM operation in medium to heavy load. There are two optional modes in light load by configuring the MODE pin: auto PFM mode and forced PWM to balance the efficiency and noise immunity in light load. The switching frequency can be synchronized to an external clock. The TPS61379-Q1 uses the spread spectrum of the internal clock to be more EMI friendly at FPWM mode. In addition, there is an internal soft-start time to limit the inrush current.

The TPS61379-Q1 has various fixed output voltage versions to save the external feedback resistor. It supports the external loop compensation so that the stability and transient response can be optimized at wider VOUT/VIN ranges. It also integrates robust protection features including the output short protection, output overvoltage protection, and thermal shutdown protection. The TPS61379-Q1 is available in a 3-mm × 3-mm 16-pin QFN package with wettable flank.

Subscribe to Welllinkchips !
Your Name
* Email
Submit a request